0
LMK03200
  • LMK03200
  • LMK03200
  • LMK03200
  • LMK03200
  • LMK03200

LMK03200

ACTIVE

Precision 0-delay clock conditioner with integrated VCO

Texas Instruments LMK03200 Product Info

1 April 2026 0

Parameters

Number of outputs

9

Output type

LVDS, LVPECL

Output frequency (max) (MHz)

1296

Core supply voltage (V)

3.3

Output supply voltage (V)

3.3

Input type

LVCMOS, LVPECL

Operating temperature range (°C)

-40 to 85

Features

Integrated VCO, uWire

Rating

Catalog

Package

WQFN (RHS)-48-49 mm² 7 x 7

Features

  • Integrated VCO with Very Low Phase Noise Floor
  • Integrated Integer-N PLL with Outstanding Normalized Phase Noise Contribution of -224 dBc/Hz
  • VCO Divider Values of 2 to 8 (All Divides)
    • Bypassable with VCO Mux When Not in 0-delay Mode
  • Channel Divider Values of 1, 2 to 510 (Even Divides)
  • LVDS and LVPECL Clock Outputs
  • Partially Integrated Loop Filter
  • Dedicated Divider and Delay Blocks on Each Clock Output
  • 0-delay Outputs
  • Internal or External Feedback of Output Clock
  • Delay Blocks on N and R Phase Detector Inputs for Lead/Lag Global Skew Adjust
  • Pin Compatible Family of Clocking Devices
  • 3.15 to 3.45 V Operation
  • Package: 48 Pin WQFN (7.0 x 7.0 x 0.8 mm)
  • 200 fs RMS Clock Generator Performance (10 Hz to 20 MHz) with a clean input clock

All trademarks are the property of their respective owners.

  • Integrated VCO with Very Low Phase Noise Floor
  • Integrated Integer-N PLL with Outstanding Normalized Phase Noise Contribution of -224 dBc/Hz
  • VCO Divider Values of 2 to 8 (All Divides)
    • Bypassable with VCO Mux When Not in 0-delay Mode
  • Channel Divider Values of 1, 2 to 510 (Even Divides)
  • LVDS and LVPECL Clock Outputs
  • Partially Integrated Loop Filter
  • Dedicated Divider and Delay Blocks on Each Clock Output
  • 0-delay Outputs
  • Internal or External Feedback of Output Clock
  • Delay Blocks on N and R Phase Detector Inputs for Lead/Lag Global Skew Adjust
  • Pin Compatible Family of Clocking Devices
  • 3.15 to 3.45 V Operation
  • Package: 48 Pin WQFN (7.0 x 7.0 x 0.8 mm)
  • 200 fs RMS Clock Generator Performance (10 Hz to 20 MHz) with a clean input clock

All trademarks are the property of their respective owners.

Description

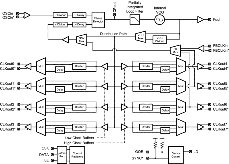
The LMK03200 family of precision clock conditioners combine the functions of jitter cleaning/reconditioning, multiplication, and 0-delay distribution of a reference clock. The devices integrate a Voltage Controlled Oscillator (VCO), a high performance Integer-N Phase Locked Loop (PLL), a partially integrated loop filter, and up to eight outputs in various LVDS and LVPECL combinations.

The VCO output is optionally accessible on the Fout port. Internally, the VCO output goes through a VCO divider to feed the various clock distribution blocks.

Each clock distribution block includes a programmable divider, a phase synchronization circuit, a programmable delay, a clock output mux, and an LVDS or LVPECL output buffer. The PLL also features delay blocks to permit global phase adjustment of clock output phase. This allows multiple integer-related and phase-adjusted copies of the reference to be distributed to eight system components.

The clock conditioners come in a 48-pin WQFN package and are footprint compatible with other clocking devices in the same family.


The LMK03200 family of precision clock conditioners combine the functions of jitter cleaning/reconditioning, multiplication, and 0-delay distribution of a reference clock. The devices integrate a Voltage Controlled Oscillator (VCO), a high performance Integer-N Phase Locked Loop (PLL), a partially integrated loop filter, and up to eight outputs in various LVDS and LVPECL combinations.

The VCO output is optionally accessible on the Fout port. Internally, the VCO output goes through a VCO divider to feed the various clock distribution blocks.

Each clock distribution block includes a programmable divider, a phase synchronization circuit, a programmable delay, a clock output mux, and an LVDS or LVPECL output buffer. The PLL also features delay blocks to permit global phase adjustment of clock output phase. This allows multiple integer-related and phase-adjusted copies of the reference to be distributed to eight system components.

The clock conditioners come in a 48-pin WQFN package and are footprint compatible with other clocking devices in the same family.


Subscribe to Welllinkchips !
Your Name
* Email
Submit a request