0
BQ27Z746
  • BQ27Z746
  • BQ27Z746

BQ27Z746

ACTIVE

Pack-side, single-cell Impedance Track™ technology fuel gauge with integrated protector

Texas Instruments BQ27Z746 Product Info

1 April 2026 1

Parameters

Cell chemistry

Li-Ion/Li-Polymer, LiFePO4

Number of series cells

Single Cell

Communication interface

HDQ, I2C

Battery capacity (min) (mAh)

100

Battery capacity (max) (mAh)

32000

Implementation

Pack

External capacity indication

None

Features

Impedance Track™ algorithm, Integrated Protector, SHA-256 Authentication

Operating temperature range (°C)

-40 to 85

Rating

Catalog

Package

DSBGA (YAH)-15-5.4488 mm² 2.78 x 1.96

Features

  • Integrated battery gas gauge and protector
  • Flash-programmable custom BQBMP RISC CPU
    • SHA-256 authentication
    • 400kHz I2C bus communications interface
  • Low-voltage (2.0V) operation
  • Two independent precision 16-bit ADCs
    • Coulomb counting ADC with current sense resistor down to 1mΩ
    • Voltage ADC for cell voltage and external and internal temperature sensors
  • Battery fuel gauging based on patented Impedance Track™ technology
    • Models battery discharge curve for accurate time-to-empty predictions
    • Automatically adjusts for aging-, temperature-, and rate-induced effects on the battery
  • Battery Kelvin sense differential analog output pins with built-in protection
  • High-side or low-side current sensing
  • Programmable hardware-based protection
    • High-side FET gate drivers
    • Overvoltage and undervoltage (OVP and UVP)
    • Overcurrent in discharge and overcurrent in charge (OCD and OCC)
    • Short circuit in discharge (SCD)
    • Firmware-based overtemperature (OT)
  • Reduced typical power modes
    • SLEEP mode: 20µA
    • SHIP mode: 10µA
    • SHELF mode 5 µA
    • SHUTDOWN mode: 0.2µA
  • Ultra-compact, 15-ball NanoFree™ DSBGA
  • Integrated battery gas gauge and protector
  • Flash-programmable custom BQBMP RISC CPU
    • SHA-256 authentication
    • 400kHz I2C bus communications interface
  • Low-voltage (2.0V) operation
  • Two independent precision 16-bit ADCs
    • Coulomb counting ADC with current sense resistor down to 1mΩ
    • Voltage ADC for cell voltage and external and internal temperature sensors
  • Battery fuel gauging based on patented Impedance Track™ technology
    • Models battery discharge curve for accurate time-to-empty predictions
    • Automatically adjusts for aging-, temperature-, and rate-induced effects on the battery
  • Battery Kelvin sense differential analog output pins with built-in protection
  • High-side or low-side current sensing
  • Programmable hardware-based protection
    • High-side FET gate drivers
    • Overvoltage and undervoltage (OVP and UVP)
    • Overcurrent in discharge and overcurrent in charge (OCD and OCC)
    • Short circuit in discharge (SCD)
    • Firmware-based overtemperature (OT)
  • Reduced typical power modes
    • SLEEP mode: 20µA
    • SHIP mode: 10µA
    • SHELF mode 5 µA
    • SHUTDOWN mode: 0.2µA
  • Ultra-compact, 15-ball NanoFree™ DSBGA

Description

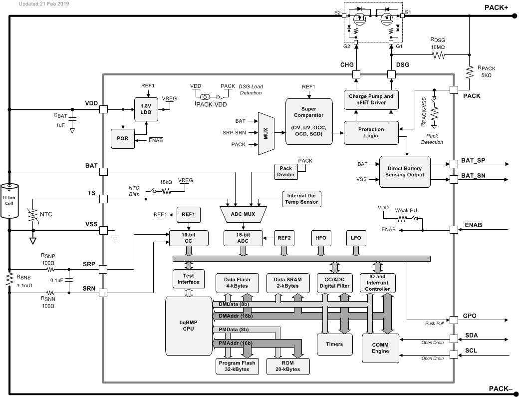
The Texas Instruments BQ27Z746 Impedance Track™ gas gauge solution is a highly integrated, accurate 1-series cell gas gauge and protection solution.

The BQ27Z746 device provides a fully integrated pack-based solution with a flash programmable custom reduced instruction-set CPU (RISC), safety protection, differential battery sensing analog output, and authentication for 1-series cell Li-ion and Li-polymer battery packs.

The BQ27Z746 gas gauge communicates through an I2C compatible interface and combines an ultra-low power TI BQBMP processor, high accuracy analog measurement capabilities, integrated flash memory, N-CH high-side FET drive, and a SHA-2 Authentication transform responder into a complete, high-performance battery management solution.

The Texas Instruments BQ27Z746 Impedance Track™ gas gauge solution is a highly integrated, accurate 1-series cell gas gauge and protection solution.

The BQ27Z746 device provides a fully integrated pack-based solution with a flash programmable custom reduced instruction-set CPU (RISC), safety protection, differential battery sensing analog output, and authentication for 1-series cell Li-ion and Li-polymer battery packs.

The BQ27Z746 gas gauge communicates through an I2C compatible interface and combines an ultra-low power TI BQBMP processor, high accuracy analog measurement capabilities, integrated flash memory, N-CH high-side FET drive, and a SHA-2 Authentication transform responder into a complete, high-performance battery management solution.

Subscribe to Welllinkchips !
Your Name
* Email
Submit a request