0
PTD08A006W
  • PTD08A006W

PTD08A006W

ACTIVE

6A, 4.75V to 14V, Non-Isolated, Digital PowerTrain Module

Texas Instruments PTD08A006W Product Info

1 April 2026 0

Parameters

Rating

Catalog

Topology

Buck

Iout (max) (A)

6

Vin (max) (V)

14

Vin (min) (V)

4.75

Vout (max) (V)

3.6

Vout (min) (V)

0.7

Features

Overcurrent protection

Operating temperature range (°C)

-40 to 85

Type

Module

Control mode

Voltage mode

Switching frequency (min) (kHz)

300

Switching frequency (max) (kHz)

1000

Package

DIPMODULE (EGS)-12-334.1944 mm² 19.94 x 16.76

Features

  • Up to 6-A Output Current
  • 4.75-V to 14-V Input Voltage
  • Programmable Wide-Output Voltage (0.7 V to 3.6 V)
  • Efficiencies up to 96%
  • Digital I/O
    • PWM signal
    • INHIBIT
    • Current limit flag (FAULT)
    • Sychronous Rectifier Enable (SRE)
  • Analog I/O
    • Temperature
    • Output currrent
  • Safety Agency Approvals: (Pending)
    • UL/IEC/CSA-C22.2 60950-1
  • Operating Temperature: –40°C to 85°C
  • APPLICATIONS
    • Digital Power Systems using UCD9XXX Digital Controllers

  • Up to 6-A Output Current
  • 4.75-V to 14-V Input Voltage
  • Programmable Wide-Output Voltage (0.7 V to 3.6 V)
  • Efficiencies up to 96%
  • Digital I/O
    • PWM signal
    • INHIBIT
    • Current limit flag (FAULT)
    • Sychronous Rectifier Enable (SRE)
  • Analog I/O
    • Temperature
    • Output currrent
  • Safety Agency Approvals: (Pending)
    • UL/IEC/CSA-C22.2 60950-1
  • Operating Temperature: –40°C to 85°C
  • APPLICATIONS
    • Digital Power Systems using UCD9XXX Digital Controllers

Description

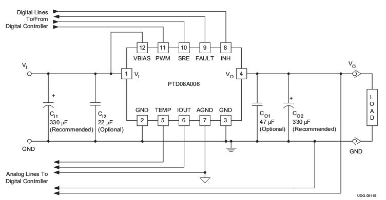
The PTD08A006W is a high-performance 6-A rated, non-isolated digital PowerTrain module. This module is the power conversion section of a digital power system which incorporates TI's UCD7230 MOSFET driver IC. The PTD08A006W must be used in conjunction with a digital power controller such as the UCD9240 or UCD9110 family. The PTD08A006W receives control signals from the digital controller and provides parametric and status information back to the digital controller. Together, PowerTrain modules and a digital power controller form a sophisticated, robust, and easily configured power management solution.

Operating from an input voltage range of 4.75 V to 14 V, the PTD08A006W provides step-down power conversion to a wide range of output voltages from, 0.7 V to 3.6 V. The wide input voltage range makes the PTD08A006W particularly suitable for advanced computing and server applications that utilize a loosely regulated 8-V, 9.6-V or 12-V intermediate distribution bus. Additionally, the wide input voltage range increases design flexibility by supporting operation with tightly regulated 5-V or 12-V intermediate bus architectures.

The module incorporates output over-current and temperature monitoring which protects against most load faults. Output current and module temperature signals are provided for the digital controller to permit user defined over-current and over-temperature warning and fault scerarios.

The module uses double-sided surface mount construction to provide a low profile and compact footprint. Package options include both through-hole and surface mount configurations that are lead (Pb) - free and RoHS compatible.

The PTD08A006W is a high-performance 6-A rated, non-isolated digital PowerTrain module. This module is the power conversion section of a digital power system which incorporates TI's UCD7230 MOSFET driver IC. The PTD08A006W must be used in conjunction with a digital power controller such as the UCD9240 or UCD9110 family. The PTD08A006W receives control signals from the digital controller and provides parametric and status information back to the digital controller. Together, PowerTrain modules and a digital power controller form a sophisticated, robust, and easily configured power management solution.

Operating from an input voltage range of 4.75 V to 14 V, the PTD08A006W provides step-down power conversion to a wide range of output voltages from, 0.7 V to 3.6 V. The wide input voltage range makes the PTD08A006W particularly suitable for advanced computing and server applications that utilize a loosely regulated 8-V, 9.6-V or 12-V intermediate distribution bus. Additionally, the wide input voltage range increases design flexibility by supporting operation with tightly regulated 5-V or 12-V intermediate bus architectures.

The module incorporates output over-current and temperature monitoring which protects against most load faults. Output current and module temperature signals are provided for the digital controller to permit user defined over-current and over-temperature warning and fault scerarios.

The module uses double-sided surface mount construction to provide a low profile and compact footprint. Package options include both through-hole and surface mount configurations that are lead (Pb) - free and RoHS compatible.