0
BQ25713B
  • BQ25713B
  • BQ25713B

BQ25713B

ACTIVE

Address 2 I2C 1-4 cell NVDC Buck-Boost battery charge controller with USB type C PD support

Texas Instruments BQ25713B Product Info

1 April 2026 1

Parameters

Rating

Catalog

Number of series cells

1, 2, 3, 4

Cell chemistry

Lead Acid, Li-Ion/Li-Polymer, Lithium Phosphate/LiFePO4, NiCd, NiMH, SuperCap

Charge current (max) (A)

8.128

Features

IC thermal regulation, ICO (Input Current Optimization), IINDPM (Input current limit), Input OVP, Integrated ADC, Power Path, USB C/PD compatible, USB OTG integrated, VINDPM (Input voltage threshold to maximize adaptor power)

Vin (min) (V)

3.5

Vin (max) (V)

24

Absolute max Vin (max) (V)

30

Control topology

Switch-Mode Buck-boost

Battery charge voltage (min) (V)

1.024

Battery charge voltage (max) (V)

19.2

Control interface

I2C

Operating temperature range (°C)

-40 to 85

Package

WQFN (RSN)-32-16 mm² 4 x 4

Features

  • Pin-to-pin and software compatible to BQ25703A
  • Charge 1s to 4s battery from wide range of input source
    • 3.5-V to 24-V Input operating voltage
    • Supports USB2.0, USB 3.0, USB 3.1 (Type C), and USB Power Delivery (USB-PD) input current settings
    • Seamless transition among buck, buck-boost and boost operations
    • Input current and voltage regulation (IDPM and VDPM) against source overload
  • Power/current monitor for CPU throttling
    • Comprehensive PROCHOT profile, IMVP8/IMVP9 compliant
    • Input and battery current monitor
    • System power monitor, IMVP8/IMVP9 compliant
  • Narrow voltage DC (NVDC) power path management
    • Instant-on with no battery or depleted battery
    • Battery supplements system when adapter is fully-loaded
    • Battery MOSFET ideal diode operation in supplement mode
  • Power up USB port from battery (USB OTG)
    • 3-V to 20.8-V VOTG With 8-mV resolution
    • Output current limit up to 6.4 A with 50-mA resolution
  • TI patented Pass Through Mode (PTM) for system power efficiency improvement and battery fast charging
  • When system is powered by battery only, Vmin Active Protection (VAP) mode supplements battery from input capacitors during system peak power spike
  • Input Current Optimizer (ICO) to extract max input power
  • 800-kHz or 1.2-MHz Programmable switching frequency for 2.2-µH or 1.0-µH inductor
  • Host control interface for flexible system configuration
    • I 2C Port optimal system performance and status reporting
    • Hardware pin to set input current limit without EC control
  • Integrated ADC to monitor voltage, current and power
  • High accuracy for the regulation and monitor
    • ±0.5% Charge voltage regulation
    • ±2% Input/charge current regulation
    • ±2% Input/charge current monitor
    • ±4% Power monitor
  • Safety
    • Thermal shutdown
    • Input, system, battery overvoltage protection
    • Input, MOSFET, inductor overcurrent protection
  • Safety-Related Certifications:
    • IEC 62368-1 CB Certification
  • Low battery quiescent current
  • Package: 32-Pin 4 × 4 WQFN
  • Pin-to-pin and software compatible to BQ25703A
  • Charge 1s to 4s battery from wide range of input source
    • 3.5-V to 24-V Input operating voltage
    • Supports USB2.0, USB 3.0, USB 3.1 (Type C), and USB Power Delivery (USB-PD) input current settings
    • Seamless transition among buck, buck-boost and boost operations
    • Input current and voltage regulation (IDPM and VDPM) against source overload
  • Power/current monitor for CPU throttling
    • Comprehensive PROCHOT profile, IMVP8/IMVP9 compliant
    • Input and battery current monitor
    • System power monitor, IMVP8/IMVP9 compliant
  • Narrow voltage DC (NVDC) power path management
    • Instant-on with no battery or depleted battery
    • Battery supplements system when adapter is fully-loaded
    • Battery MOSFET ideal diode operation in supplement mode
  • Power up USB port from battery (USB OTG)
    • 3-V to 20.8-V VOTG With 8-mV resolution
    • Output current limit up to 6.4 A with 50-mA resolution
  • TI patented Pass Through Mode (PTM) for system power efficiency improvement and battery fast charging
  • When system is powered by battery only, Vmin Active Protection (VAP) mode supplements battery from input capacitors during system peak power spike
  • Input Current Optimizer (ICO) to extract max input power
  • 800-kHz or 1.2-MHz Programmable switching frequency for 2.2-µH or 1.0-µH inductor
  • Host control interface for flexible system configuration
    • I 2C Port optimal system performance and status reporting
    • Hardware pin to set input current limit without EC control
  • Integrated ADC to monitor voltage, current and power
  • High accuracy for the regulation and monitor
    • ±0.5% Charge voltage regulation
    • ±2% Input/charge current regulation
    • ±2% Input/charge current monitor
    • ±4% Power monitor
  • Safety
    • Thermal shutdown
    • Input, system, battery overvoltage protection
    • Input, MOSFET, inductor overcurrent protection
  • Safety-Related Certifications:
    • IEC 62368-1 CB Certification
  • Low battery quiescent current
  • Package: 32-Pin 4 × 4 WQFN

Description

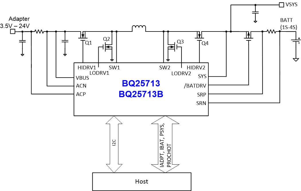
This device is a synchronous NVDC buck-boost battery charge controller, offering a low component count, high efficiency solution for space constrained, 1s-4s battery charging applications.

The NVDC configuration allows the system to be regulated at battery voltage, but not drop below system minimum voltage. The system keeps operating even when the battery is completely discharged or removed. When load power exceeds input source rating, the battery goes into supplement mode and prevents the system from crashing.

The BQ25713/BQ25713B charges battery from a wide range of input sources including USB adapter, high voltage USB PD sources and traditional adapters.

During power up, the charger sets converter to buck, boost or buck-boost configuration based on input source and battery conditions. The charger automatically transits among buck, boost and buck-boost configuration without host control.

In the absence of an input source, the BQ25713/BQ25713B supports USB On-the-Go (OTG) function from 1- to 4-cell battery to generate adjustable 3 V to 20.8 V on VBUS with 8 mV resolution. The OTG output voltage transition slew rate can be configurable, which is complied with the USB PD 3.0 PPS specifications.

When only battery powers the system and no external load is connected to the USB OTG port, the BQ25713/BQ25713B supports the Vmin Active Protection (VAP) feature, in which the device charges up the VBUS voltage from the battery to store some energy in the input decoupling capacitors. During the system peak power spike, the huge current drawing from the battery creates a larger voltage drop across the impedance from the battery to the system. The energy stored in the input capacitors will supplement the system, to prevent the system voltage from dropping below the minimum system voltage and causing the system crash. This Vmin Active Protection (VAP) is designed to absorb system power peaks during periods of SOC high power demand, which is highly recommended by Intel for the platforms with 1S~2S battery.

The BQ25713/BQ25713B monitors adapter current, battery current and system power. The flexibly programmed PROCHOT output goes directly to CPU for throttle back when needed.

This device is a synchronous NVDC buck-boost battery charge controller, offering a low component count, high efficiency solution for space constrained, 1s-4s battery charging applications.

The NVDC configuration allows the system to be regulated at battery voltage, but not drop below system minimum voltage. The system keeps operating even when the battery is completely discharged or removed. When load power exceeds input source rating, the battery goes into supplement mode and prevents the system from crashing.

The BQ25713/BQ25713B charges battery from a wide range of input sources including USB adapter, high voltage USB PD sources and traditional adapters.

During power up, the charger sets converter to buck, boost or buck-boost configuration based on input source and battery conditions. The charger automatically transits among buck, boost and buck-boost configuration without host control.

In the absence of an input source, the BQ25713/BQ25713B supports USB On-the-Go (OTG) function from 1- to 4-cell battery to generate adjustable 3 V to 20.8 V on VBUS with 8 mV resolution. The OTG output voltage transition slew rate can be configurable, which is complied with the USB PD 3.0 PPS specifications.

When only battery powers the system and no external load is connected to the USB OTG port, the BQ25713/BQ25713B supports the Vmin Active Protection (VAP) feature, in which the device charges up the VBUS voltage from the battery to store some energy in the input decoupling capacitors. During the system peak power spike, the huge current drawing from the battery creates a larger voltage drop across the impedance from the battery to the system. The energy stored in the input capacitors will supplement the system, to prevent the system voltage from dropping below the minimum system voltage and causing the system crash. This Vmin Active Protection (VAP) is designed to absorb system power peaks during periods of SOC high power demand, which is highly recommended by Intel for the platforms with 1S~2S battery.

The BQ25713/BQ25713B monitors adapter current, battery current and system power. The flexibly programmed PROCHOT output goes directly to CPU for throttle back when needed.

Subscribe to Welllinkchips !
Your Name
* Email
Submit a request