0
BQ24704
  • BQ24704
  • BQ24704

BQ24704

ACTIVE

Host-Controlled Multi-Chemistry Battery Charger with Low Input Power Detect and low Iq

Texas Instruments BQ24704 Product Info

1 April 2026 0

Parameters

Rating

Catalog

Number of series cells

2, 3, 4

Cell chemistry

Li-Ion/Li-Polymer

Charge current (max) (A)

10

Features

Power Path

Vin (min) (V)

8

Vin (max) (V)

24

Absolute max Vin (max) (V)

30

Control topology

Switch-Mode Buck

Battery charge voltage (min) (V)

8

Battery charge voltage (max) (V)

18

Control interface

Standalone (RC-Settable)

Operating temperature range (°C)

-40 to 125

Package

VQFN (RGE)-24-16 mm² 4 x 4

Features

  • NMOS-NMOS Synchronous Buck Converter with 300 kHz Frequency and >95% Efficiency
  • 30-ns Minimum Driver Dead-time and 99.5% Maximum Effective Duty Cycle
  • High-Accuracy Voltage and Current Regulation
    • ±0.5% Charge Voltage Accuracy
    • ±3% Charge Current Accuracy
    • ±3% Adapter Current Accuracy
    • ±2% Input Current Sense Amp Accuracy
  • Integration
    • Internal Loop Compensation
    • Internal Soft-Start
  • Safety
    • Dynamic Power Management (DPM) with Status Indicator
    • Charger Overcurrent Protection
    • Battery Overvoltage Protection
    • Thermal Shutdown
  • Supports Two, Three, or Four Li+ Cells
  • 8 — 24 V AC/DC-Adapter Operating Range
  • Analog Inputs with Ratiometric Programming via Resistors or DAC/GPIO Host Control
    • Charge Voltage (4-4.512 V/cell)
    • Charge Current (up to 8 A, with 10-m Sense Resistor)
    • Adapter Current Limit (DPM)
  • Status and Monitoring Outputs
    • AC/DC Adapter Present with Programmable Voltage Threshold
    • DPM Loop Active (DPMDET)
    • Current Drawn from Input Source
  • Charge Enable
  • 24-pin, 4x4-mm QFN Package
  • Energy Star Low Iq
    • < 10 µA Off-state Discharge Current
    • < 1.5 mA Off-state Input Quiescent Current
  • APPLICATIONS
    • Notebook and Netbook Computers
    • Portable Data-Capture Terminals
    • Portable Printers
    • Medical Diagnostics Equipment
    • Battery Bay Chargers
    • Battery Back-Up Systems

PowerPad is a trademark of Texas Instruments.

  • NMOS-NMOS Synchronous Buck Converter with 300 kHz Frequency and >95% Efficiency
  • 30-ns Minimum Driver Dead-time and 99.5% Maximum Effective Duty Cycle
  • High-Accuracy Voltage and Current Regulation
    • ±0.5% Charge Voltage Accuracy
    • ±3% Charge Current Accuracy
    • ±3% Adapter Current Accuracy
    • ±2% Input Current Sense Amp Accuracy
  • Integration
    • Internal Loop Compensation
    • Internal Soft-Start
  • Safety
    • Dynamic Power Management (DPM) with Status Indicator
    • Charger Overcurrent Protection
    • Battery Overvoltage Protection
    • Thermal Shutdown
  • Supports Two, Three, or Four Li+ Cells
  • 8 — 24 V AC/DC-Adapter Operating Range
  • Analog Inputs with Ratiometric Programming via Resistors or DAC/GPIO Host Control
    • Charge Voltage (4-4.512 V/cell)
    • Charge Current (up to 8 A, with 10-m Sense Resistor)
    • Adapter Current Limit (DPM)
  • Status and Monitoring Outputs
    • AC/DC Adapter Present with Programmable Voltage Threshold
    • DPM Loop Active (DPMDET)
    • Current Drawn from Input Source
  • Charge Enable
  • 24-pin, 4x4-mm QFN Package
  • Energy Star Low Iq
    • < 10 µA Off-state Discharge Current
    • < 1.5 mA Off-state Input Quiescent Current
  • APPLICATIONS
    • Notebook and Netbook Computers
    • Portable Data-Capture Terminals
    • Portable Printers
    • Medical Diagnostics Equipment
    • Battery Bay Chargers
    • Battery Back-Up Systems

PowerPad is a trademark of Texas Instruments.

Description

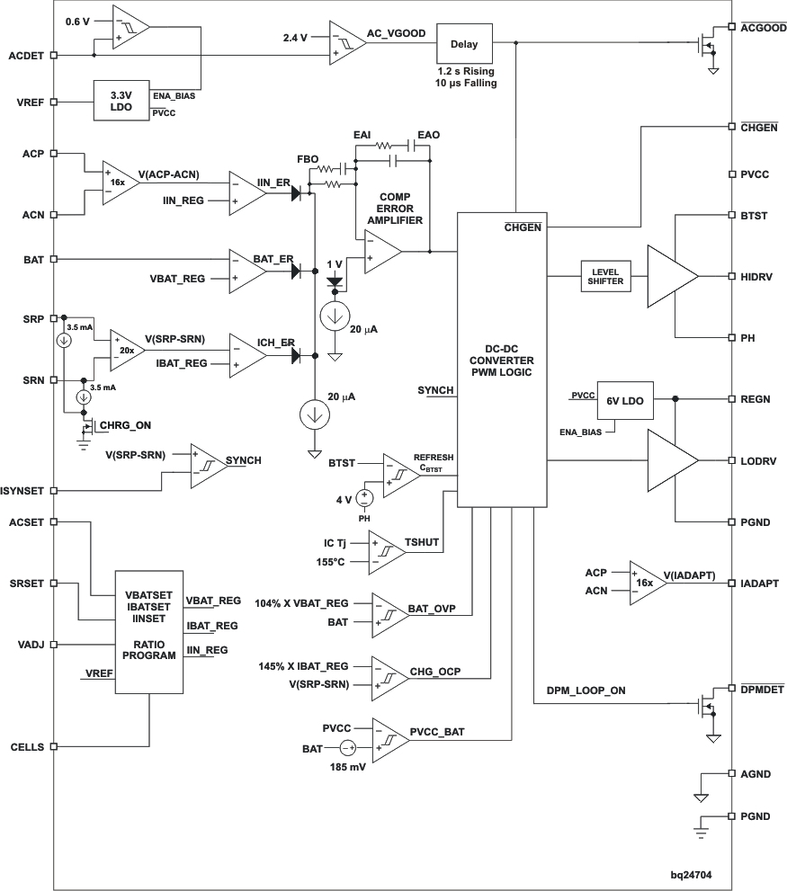
The bq24704 is a high-efficiency, synchronous battery charger with integrated compensation offering low component count for space-limited Li-Ion and Li-Polymer battery charging applications. Charge current and voltage programming allows high regulation accuracies, and can be either hardwired with resistors, or programmed by the system power-management microcontroller using a DAC or GPIOs.

The bq24704 charges two, three, or four series Li+ cells, supporting up to 8 A of charge current, and is available in a 24-pin, 4x4-mm thin QFN package.

The bq24704 features Dynamic Power Management (DPM) and input power limiting. These features reduce battery charge current when the input power limit is reached to avoid overloading the AC adapter when supplying the load and the battery charger simultaneously. A highly-accurate current-sense amplifier enables precise measurement of input current from the AC adapter to monitor the overall system power.

The bq24704 is a high-efficiency, synchronous battery charger with integrated compensation offering low component count for space-limited Li-Ion and Li-Polymer battery charging applications. Charge current and voltage programming allows high regulation accuracies, and can be either hardwired with resistors, or programmed by the system power-management microcontroller using a DAC or GPIOs.

The bq24704 charges two, three, or four series Li+ cells, supporting up to 8 A of charge current, and is available in a 24-pin, 4x4-mm thin QFN package.

The bq24704 features Dynamic Power Management (DPM) and input power limiting. These features reduce battery charge current when the input power limit is reached to avoid overloading the AC adapter when supplying the load and the battery charger simultaneously. A highly-accurate current-sense amplifier enables precise measurement of input current from the AC adapter to monitor the overall system power.

Subscribe to Welllinkchips !
Your Name
* Email
Submit a request