0
LP5569
  • LP5569
  • LP5569

LP5569

ACTIVE

Nine-channel I2C RGB LED driver with engine control and charge pump

Texas Instruments LP5569 Product Info

1 April 2026 0

Parameters

Number of channels

9

LED current per channel (mA)

22.5

LED configuration

Parallel

Program memory

Yes

Topology

Charge pump, Current Sink

Programmable ramp control

Yes

Vin (min) (V)

2.5

Vin (max) (V)

5.5

Iout (max) (A)

0.23

Features

Analog/PWM mixed dimming, Constant current, Current control, Direct PWM dimming, I2C control, Power-save mode, Programmable lighting engines

Iq (typ) (mA)

0.002

Shutdown current (ISD) (typ) (µA)

0.2

Operating temperature range (°C)

-40 to 85

Rating

Catalog

Package

WQFN (RTW)-24-16 mm² 4 x 4

Features

Description

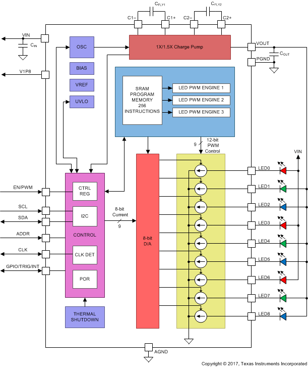
The LP5569 device is a programmable, easy-to-use 9-channel I2C LED driver designed to produce lighting effects for various applications. The LED driver is equipped with an internal SRAM memory for user-programmed sequences and three programmable LED engines, which allow operation without processor control. Autonomous operation reduces system power consumption when the processor is put in sleep mode.

A high-efficiency charge pump enables the driving of LEDs with high VF, even with 2.5-V input voltage. The LP5569 LED driver maintains good efficiency over a wide operational voltage range by autonomously selecting the best charge-pump gain based on LED forward voltage requirements.

The LP5569 device enters power-save mode when LEDs are not active, lowering idle-current consumption considerably. A flexible digital interface allows the connection of up to eight LP5569 devices with a unique I2C slave address for each device in the same system, which supports synchronization of the lighting effects among all devices.

The LP5569 device is a programmable, easy-to-use 9-channel I2C LED driver designed to produce lighting effects for various applications. The LED driver is equipped with an internal SRAM memory for user-programmed sequences and three programmable LED engines, which allow operation without processor control. Autonomous operation reduces system power consumption when the processor is put in sleep mode.

A high-efficiency charge pump enables the driving of LEDs with high VF, even with 2.5-V input voltage. The LP5569 LED driver maintains good efficiency over a wide operational voltage range by autonomously selecting the best charge-pump gain based on LED forward voltage requirements.

The LP5569 device enters power-save mode when LEDs are not active, lowering idle-current consumption considerably. A flexible digital interface allows the connection of up to eight LP5569 devices with a unique I2C slave address for each device in the same system, which supports synchronization of the lighting effects among all devices.

Submit a request