0
BQ24073
  • BQ24073
  • BQ24073
  • BQ24073
  • BQ24073
  • BQ24073
  • BQ24073

BQ24073

ACTIVE

Standalone 1-cell 1.5-A linear battery charger, Power Path, 4.2-V VBAT and 4.4-V VOUT

Texas Instruments BQ24073 Product Info

1 April 2026 1

Parameters

Rating

Catalog

Number of series cells

1

Cell chemistry

Li-Ion/Li-Polymer

Charge current (max) (A)

1.5

Features

BAT temp thermistor monitoring (hot/cold profile), IC thermal regulation, Input OVP, Power Path, VINDPM (Input voltage threshold to maximize adaptor power)

Vin (min) (V)

4.35

Vin (max) (V)

6.4

Absolute max Vin (max) (V)

28

Control topology

Linear

Battery charge voltage (min) (V)

4.2

Battery charge voltage (max) (V)

4.2

Control interface

Standalone (RC-Settable)

Operating temperature range (°C)

-40 to 85

Package

VQFN (RGT)-16-9 mm² 3 x 3

Features

  • Fully compliant USB charger
    • Selectable 100-mA and 500-mA maximum input current
    • 100-mA Maximum current limit ensures compliance to USB-IF standard
    • Input-based dynamic power management (VIN-DPM) for protection against poor USB sources
  • Functional Safety-Capable (BQ24074)
  • 28-V Input rating with overvoltage protection
  • Integrated dynamic power path management (DPPM) function simultaneously and independently powers the system and charges the battery
  • Supports up to 1.5-A charge current with current monitoring output (ISET)
  • Programmable input current limit up to 1.5 A for wall adapters
  • System output tracks battery voltage (BQ24072)
  • Programmable termination current (BQ24074)
  • Battery disconnect function with SYSOFF input (BQ24075, BQ24079)
  • Programmable pre-charge and fast-charge safety timers
  • Reverse current, short-circuit and thermal protection
  • NTC thermistor input
  • Proprietary start-up sequence limits inrush current
  • Status indication – charging/done, power good
  • Safety-Related Certification:
    • IEC 62368-1 Certification (BQ24072)
  • Fully compliant USB charger
    • Selectable 100-mA and 500-mA maximum input current
    • 100-mA Maximum current limit ensures compliance to USB-IF standard
    • Input-based dynamic power management (VIN-DPM) for protection against poor USB sources
  • Functional Safety-Capable (BQ24074)
  • 28-V Input rating with overvoltage protection
  • Integrated dynamic power path management (DPPM) function simultaneously and independently powers the system and charges the battery
  • Supports up to 1.5-A charge current with current monitoring output (ISET)
  • Programmable input current limit up to 1.5 A for wall adapters
  • System output tracks battery voltage (BQ24072)
  • Programmable termination current (BQ24074)
  • Battery disconnect function with SYSOFF input (BQ24075, BQ24079)
  • Programmable pre-charge and fast-charge safety timers
  • Reverse current, short-circuit and thermal protection
  • NTC thermistor input
  • Proprietary start-up sequence limits inrush current
  • Status indication – charging/done, power good
  • Safety-Related Certification:
    • IEC 62368-1 Certification (BQ24072)

Description

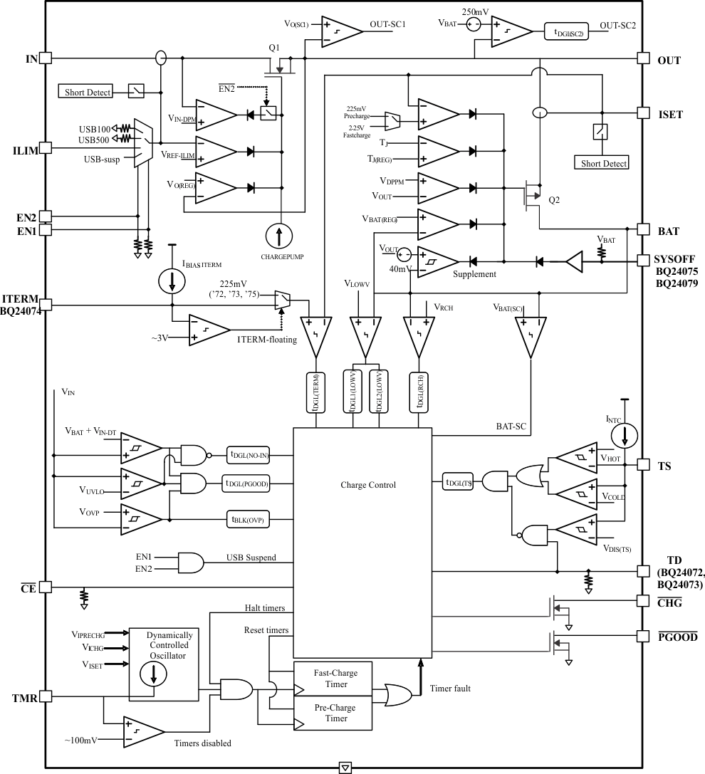
The BQ2407x series of devices are integrated Li-Ion linear chargers and system power path management devices targeted at space-limited portable applications. The devices operate from either a USB port or an AC adapter and support charge currents up to 1.5 A. The input voltage range with input overvoltage protection supports unregulated adapters. The USB input current limit accuracy and start up sequence allow the BQ2407x to meet USB-IF inrush current specifications. Additionally, the input dynamic power management (VIN-DPM) prevents the charger from crashing incorrectly configured USB sources.

The BQ2407x features dynamic power path management (DPPM) that powers the system while simultaneously and independently charging the battery. The DPPM circuit reduces the charge current when the input current limit causes the system output to fall to the DPPM threshold; thus, supplying the system load at all times while monitoring the charge current separately. This feature reduces the number of charge and discharge cycles on the battery, allows for proper charge termination and enables the system to run with a defective or absent battery pack.

Additionally, the regulated system input enables instant system turn-on when plugged in even with a totally discharged battery. The power path management architecture also lets the battery supplement the system current requirements when the adapter cannot deliver the peak system currents, thus enabling the use of a smaller adapter.

The battery is charged in three phases: conditioning, constant current, and constant voltage. In all charge phases, an internal control loop monitors the IC junction temperature and reduces the charge current if the internal temperature threshold is exceeded. The charger power stage and charge current sense functions are fully integrated. The charger function has high accuracy current and voltage regulation loops, charge status display, and charge termination. The input current limit and charge current are programmable using external resistors.

The BQ2407x series of devices are integrated Li-Ion linear chargers and system power path management devices targeted at space-limited portable applications. The devices operate from either a USB port or an AC adapter and support charge currents up to 1.5 A. The input voltage range with input overvoltage protection supports unregulated adapters. The USB input current limit accuracy and start up sequence allow the BQ2407x to meet USB-IF inrush current specifications. Additionally, the input dynamic power management (VIN-DPM) prevents the charger from crashing incorrectly configured USB sources.

The BQ2407x features dynamic power path management (DPPM) that powers the system while simultaneously and independently charging the battery. The DPPM circuit reduces the charge current when the input current limit causes the system output to fall to the DPPM threshold; thus, supplying the system load at all times while monitoring the charge current separately. This feature reduces the number of charge and discharge cycles on the battery, allows for proper charge termination and enables the system to run with a defective or absent battery pack.

Additionally, the regulated system input enables instant system turn-on when plugged in even with a totally discharged battery. The power path management architecture also lets the battery supplement the system current requirements when the adapter cannot deliver the peak system currents, thus enabling the use of a smaller adapter.

The battery is charged in three phases: conditioning, constant current, and constant voltage. In all charge phases, an internal control loop monitors the IC junction temperature and reduces the charge current if the internal temperature threshold is exceeded. The charger power stage and charge current sense functions are fully integrated. The charger function has high accuracy current and voltage regulation loops, charge status display, and charge termination. The input current limit and charge current are programmable using external resistors.

Subscribe to Welllinkchips !
Your Name
* Email
Submit a request