0
AFE5805
  • AFE5805
  • AFE5805

AFE5805

ACTIVE

8-channel low noise analog front end for ultrasound

Texas Instruments AFE5805 Product Info

1 April 2026 0

Parameters

Device type

Receiver

Number of input channels

8

Active supply current (typ) (mA)

146

Supply voltage (max) (V)

3.47

Operating temperature range (°C)

0 to 70

Interface type

Serial LVDS

Features

Analog Front End (AFE)

Rating

Catalog

Package

NFBGA (ZCF)-135-135 mm² 9 x 15

Features

  • 8-Channel Complete Analog Front-End:
    • LNA, VCA, PGA, LPF, and ADC
  • Ultra-Low, Full-Channel Noise:
    • 0.85nV/√Hz (TGC)
    • 1.1nV/√Hz (CW)
  • Low Power:
    • 122mW/Channel (40MSPS)
    • 74mW/Channel (CW Mode)
  • Low-Noise Pre-Amp (LNA):
    • 0.75nV/√Hz
    • 20dB Fixed Gain
    • 250mVPP Linear Input Range
  • Variable-Gain Amplifier:
    • Gain Control Range: 46dB
  • PGA Gain Settings: 20dB, 25dB, 27dB, 30dB
  • Low-Pass Filter:
    • Selectable BW: 10MHz, 15MHz
    • 2nd-Order
  • Gain Error: ±0.5dB
  • Channel Matching: ±0.25dB
  • Distortion, HD2: –65dBFS at 5MHz
  • Clamping Control
  • Fast Overload Recovery: Two Clock Cycles
  • 12-Bit Analog-to-Digital Converter:
    • 10MSPS to 50MSPS
    • 69.5dB SNR at 10MHz
    • Serial LVDS Interface
  • Integrated CW Switch Matrix
  • 15mm × 9mm, 135-BGA Package:
    • Pb-Free (RoHS-Compliant) and Green
  • APPLICATIONS
    • Medical Imaging, Ultrasound
      • Portable Systems

All trademarks are the property of their respective owners.

  • 8-Channel Complete Analog Front-End:
    • LNA, VCA, PGA, LPF, and ADC
  • Ultra-Low, Full-Channel Noise:
    • 0.85nV/√Hz (TGC)
    • 1.1nV/√Hz (CW)
  • Low Power:
    • 122mW/Channel (40MSPS)
    • 74mW/Channel (CW Mode)
  • Low-Noise Pre-Amp (LNA):
    • 0.75nV/√Hz
    • 20dB Fixed Gain
    • 250mVPP Linear Input Range
  • Variable-Gain Amplifier:
    • Gain Control Range: 46dB
  • PGA Gain Settings: 20dB, 25dB, 27dB, 30dB
  • Low-Pass Filter:
    • Selectable BW: 10MHz, 15MHz
    • 2nd-Order
  • Gain Error: ±0.5dB
  • Channel Matching: ±0.25dB
  • Distortion, HD2: –65dBFS at 5MHz
  • Clamping Control
  • Fast Overload Recovery: Two Clock Cycles
  • 12-Bit Analog-to-Digital Converter:
    • 10MSPS to 50MSPS
    • 69.5dB SNR at 10MHz
    • Serial LVDS Interface
  • Integrated CW Switch Matrix
  • 15mm × 9mm, 135-BGA Package:
    • Pb-Free (RoHS-Compliant) and Green
  • APPLICATIONS
    • Medical Imaging, Ultrasound
      • Portable Systems

All trademarks are the property of their respective owners.

Description

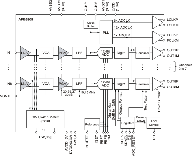
The AFE5805 is a complete analog front-end device specifically designed for ultrasound systems that require low power and small size.

The AFE5805 consists of eight channels, including a low-noise amplifier (LNA), voltage-controlled attenuator (VCA), programmable gain amplifier (PGA), low-pass filter (LPF), and a 12-bit analog-to-digital converter (ADC) with low voltage differential signaling (LVDS) data outputs.

The LNA gain is set for 20dB gain, and has excellent noise and signal handling capabilities, including fast overload recovery. VCA gain can vary over a 46dB range with a 0V to 1.2V control voltage common to all channels of the AFE5805.

The PGA can be programmed for gains of 20dB, 25dB, 27dB, and 30dB. The internal low-pass filter can also be programmed to 10MHz or 15MHz.

The LVDS outputs of the ADC reduce the number of interface lines to an ASIC or FPGA, thereby enabling the high system integration densities desired for portable systems. The ADC can either be operated with internal or external references. The ADC also features a signal-to-noise ratio (SNR) enhancement mode that can be useful at high gains.

The AFE5805 is available in a 15mm × 9mm, 135-ball BGA package that is Pb-free (RoHS-compliant) and green. It is specified for operation from 0°C to +70°C.

The AFE5805 is a complete analog front-end device specifically designed for ultrasound systems that require low power and small size.

The AFE5805 consists of eight channels, including a low-noise amplifier (LNA), voltage-controlled attenuator (VCA), programmable gain amplifier (PGA), low-pass filter (LPF), and a 12-bit analog-to-digital converter (ADC) with low voltage differential signaling (LVDS) data outputs.

The LNA gain is set for 20dB gain, and has excellent noise and signal handling capabilities, including fast overload recovery. VCA gain can vary over a 46dB range with a 0V to 1.2V control voltage common to all channels of the AFE5805.

The PGA can be programmed for gains of 20dB, 25dB, 27dB, and 30dB. The internal low-pass filter can also be programmed to 10MHz or 15MHz.

The LVDS outputs of the ADC reduce the number of interface lines to an ASIC or FPGA, thereby enabling the high system integration densities desired for portable systems. The ADC can either be operated with internal or external references. The ADC also features a signal-to-noise ratio (SNR) enhancement mode that can be useful at high gains.

The AFE5805 is available in a 15mm × 9mm, 135-ball BGA package that is Pb-free (RoHS-compliant) and green. It is specified for operation from 0°C to +70°C.

Subscribe to Welllinkchips !
Your Name
* Email
Submit a request