0
AFE4950
  • AFE4950
  • AFE4950

AFE4950

ACTIVE

Ultra-small integrated AFE for wearable optical heart-rate monitoring and SpO2

Texas Instruments AFE4950 Product Info

1 April 2026 0

Parameters

Applications

ECG patch, HRV, Optical-HRM for wearables, PTT-based blood pressure, Patient monitoring, Sleep study monitor, SpO2, Vo2 max

Number of input channels

4

Resolution (Bits)

22

Number of LEDs

8

Interface type

I2C

Operating temperature range (°C)

-40 to 85

Rating

Catalog

Package

DSBGA (YBG)-36-5.76 mm² 2.4 x 2.4

Features

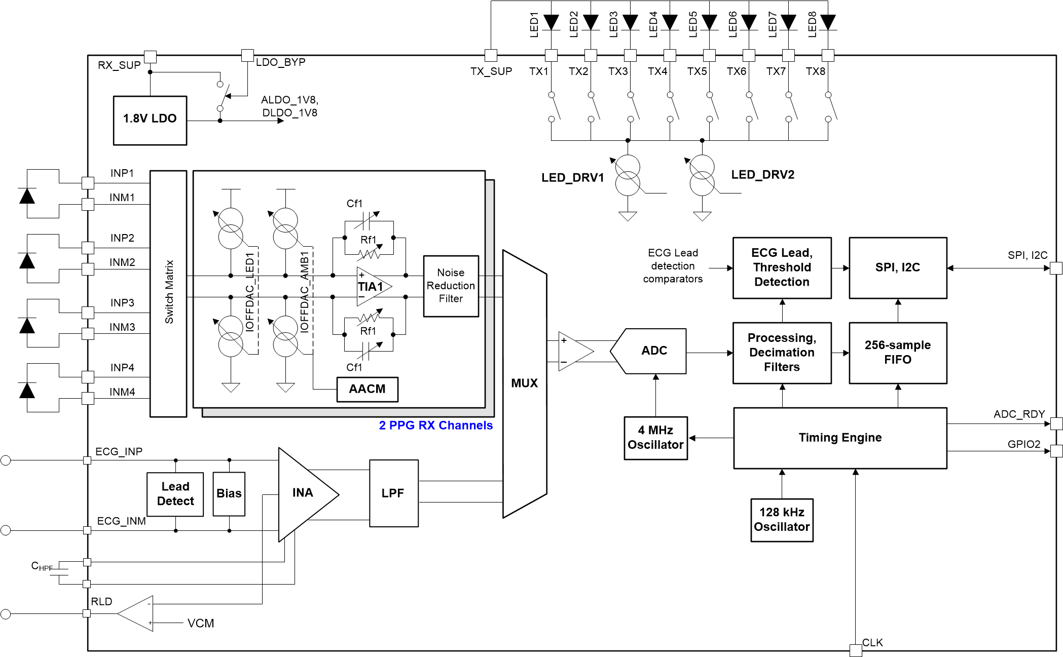
  • Supports simultaneous and synchronized acquisition of up to 24 PPG and a single-lead ECG signal.
  • Flexible allocation of 8 LED, 4 PD in each phase
  • ECG signal chain:
    • 1-lead ECG signal acquisition up to 2 kHz
    • RLD output to drive a third electrode
    • Input noise : 0.7 µV-rms
    • Supports up to ±0.65 V differential DC offset and +/-0.55 V common mode range
    • Programmable INA gain: 11, 21
    • High-pass filter with quick saturation recovery
    • Integrated 300 Hz anti-aliasing low pass filter
    • AC, DC lead-off detect: 2.9 nA to 92.5 nA
    • Low power continuous lead-on detection
  • Impedance signal chain
    • Continuous low-power monitoring of impedance between 2 electrodes
    • 7 MΩ range
    • 300 Ω noise on 620 kΩ
  • PPG Transmitter:
    • 8-Bit Programmable LED Current with range adjustable from 25 mA to 250 mA
    • Mode to fire two LEDs in parallel
    • Support of 8 LEDs in Common Anode configuration for SpO2, Multi-Wavelength HRM
  • PPG Receiver:
    • 2 parallel receivers (two sets of TIA/ filter)
    • Supports 4 Time-Multiplexed Photodiode Inputs to each Receiver
    • 8-bit Ambient Offset subtraction at each TIA input with 256 µA range
    • 8-bit LED Offset Subtraction DAC with 64 µA range
    • Automatic ambient cancellation and dynamic LED DC cancellation at TIA input
    • Ambient rejection close to 100 dB up to 10 Hz
    • Noise filtering with programmable bandwidth
    • Trans-impedance Gain: 3.7 kΩ to 1 MΩ
  • Accurate, Continuous Heart-Rate Monitoring:
    • System SNR up to 109-dB at 16 µA PD current
    • Low Current for Continuous Operation on a Wearable Device with a Typical Value: 15-µA for an LED, 20-µA for the Receiver
  • External clock and internal oscillator modes
  • Acquire data synchronized with system master clock
  • FIFO with 256-sample Depth
  • SPI, I2C interfaces: Selectable by pin
  • 2.6-mm × 2.5-mm DSBGA, 0.4-mm Pitch
  • Supplies: Rx:1.7-1.9V (LDO Bypass); 1.9-3.6V (LDO Enabled), Tx:3-5.5V, IO:1.7-RX_SUP
  • Supports simultaneous and synchronized acquisition of up to 24 PPG and a single-lead ECG signal.
  • Flexible allocation of 8 LED, 4 PD in each phase
  • ECG signal chain:
    • 1-lead ECG signal acquisition up to 2 kHz
    • RLD output to drive a third electrode
    • Input noise : 0.7 µV-rms
    • Supports up to ±0.65 V differential DC offset and +/-0.55 V common mode range
    • Programmable INA gain: 11, 21
    • High-pass filter with quick saturation recovery
    • Integrated 300 Hz anti-aliasing low pass filter
    • AC, DC lead-off detect: 2.9 nA to 92.5 nA
    • Low power continuous lead-on detection
  • Impedance signal chain
    • Continuous low-power monitoring of impedance between 2 electrodes
    • 7 MΩ range
    • 300 Ω noise on 620 kΩ
  • PPG Transmitter:
    • 8-Bit Programmable LED Current with range adjustable from 25 mA to 250 mA
    • Mode to fire two LEDs in parallel
    • Support of 8 LEDs in Common Anode configuration for SpO2, Multi-Wavelength HRM
  • PPG Receiver:
    • 2 parallel receivers (two sets of TIA/ filter)
    • Supports 4 Time-Multiplexed Photodiode Inputs to each Receiver
    • 8-bit Ambient Offset subtraction at each TIA input with 256 µA range
    • 8-bit LED Offset Subtraction DAC with 64 µA range
    • Automatic ambient cancellation and dynamic LED DC cancellation at TIA input
    • Ambient rejection close to 100 dB up to 10 Hz
    • Noise filtering with programmable bandwidth
    • Trans-impedance Gain: 3.7 kΩ to 1 MΩ
  • Accurate, Continuous Heart-Rate Monitoring:
    • System SNR up to 109-dB at 16 µA PD current
    • Low Current for Continuous Operation on a Wearable Device with a Typical Value: 15-µA for an LED, 20-µA for the Receiver
  • External clock and internal oscillator modes
  • Acquire data synchronized with system master clock
  • FIFO with 256-sample Depth
  • SPI, I2C interfaces: Selectable by pin
  • 2.6-mm × 2.5-mm DSBGA, 0.4-mm Pitch
  • Supplies: Rx:1.7-1.9V (LDO Bypass); 1.9-3.6V (LDO Enabled), Tx:3-5.5V, IO:1.7-RX_SUP

Description

The AFE4950 device is an analog front-end (AFE) for synchronized signal acquisition of PPG and ECG signals. The device can also be used for optical bio-sensing applications, such as heart-rate monitoring (HRM) and saturation of peripheral capillary oxygen (SpO2). The ECG signal chain supports 2- and 3-electrode configurations and has an integrated Right leg drive (RLD) buffer. The ECG signal chain can also be used to do a continuous, low-power monitoring of the impedance between pair of electrodes.

The AFE4950 device is an analog front-end (AFE) for synchronized signal acquisition of PPG and ECG signals. The device can also be used for optical bio-sensing applications, such as heart-rate monitoring (HRM) and saturation of peripheral capillary oxygen (SpO2). The ECG signal chain supports 2- and 3-electrode configurations and has an integrated Right leg drive (RLD) buffer. The ECG signal chain can also be used to do a continuous, low-power monitoring of the impedance between pair of electrodes.

Subscribe to Welllinkchips !
Your Name
* Email
Submit a request