0
ADS8860
  • ADS8860
  • ADS8860
  • ADS8860

ADS8860

ACTIVE

16-bit, 1-MSPS, 1-channel SAR ADC with single-ended input, SPI and daisy chain

Texas Instruments ADS8860 Product Info

1 April 2026 0

Parameters

Resolution (Bits)

16

Sample rate (max) (ksps)

1000

Number of input channels

1

Interface type

SPI

Architecture

SAR

Input type

Single-ended

Rating

Catalog

Reference mode

External

Input voltage range (max) (V)

5

Input voltage range (min) (V)

0

Features

Daisy-Chainable, Oscillator, Small Size

Operating temperature range (°C)

-40 to 85

Power consumption (typ) (mW)

5.5

Analog supply voltage (min) (V)

2.7

Analog supply voltage (max) (V)

3.6

SNR (dB)

93

Digital supply (min) (V)

1.65

Digital supply (max) (V)

3.6

Package

VSON (DRC)-10-9 mm² 3 x 3

Features

  • Sample rate: 1 MHz
  • No latency output
  • Unipolar, single-ended input range:
    0 to +VREF
  • SPI™-compatible serial interface with
    daisy-chain option
  • Excellent AC and DC performance:
    • SNR: 93 dB, THD: –108 dB
    • INL: ±1.0 LSB (typ), ±2.0 LSB (max)
    • DNL: ±1.0 LSB (max), 16-bit NMC
  • Wide operating range:
    • AVDD: 2.7 V to 3.6 V
    • DVDD: 1.65 V to 3.6 V
      (independent of AVDD)
    • REF: 2.5 V to 5 V (independent of AVDD)
    • Operating temperature: –40°C to +85°C
  • Low-power dissipation:
    • 5.5 mW at 1 MSPS
    • 0.55 mW at 100 kSPS
    • 55 µW at 10 kSPS
  • Power-down current (AVDD): 50 nA
  • Full-scale step settling to 16 Bits: 290 ns
  • Packages: VSSOP-10 and VSON-10
  • Sample rate: 1 MHz
  • No latency output
  • Unipolar, single-ended input range:
    0 to +VREF
  • SPI™-compatible serial interface with
    daisy-chain option
  • Excellent AC and DC performance:
    • SNR: 93 dB, THD: –108 dB
    • INL: ±1.0 LSB (typ), ±2.0 LSB (max)
    • DNL: ±1.0 LSB (max), 16-bit NMC
  • Wide operating range:
    • AVDD: 2.7 V to 3.6 V
    • DVDD: 1.65 V to 3.6 V
      (independent of AVDD)
    • REF: 2.5 V to 5 V (independent of AVDD)
    • Operating temperature: –40°C to +85°C
  • Low-power dissipation:
    • 5.5 mW at 1 MSPS
    • 0.55 mW at 100 kSPS
    • 55 µW at 10 kSPS
  • Power-down current (AVDD): 50 nA
  • Full-scale step settling to 16 Bits: 290 ns
  • Packages: VSSOP-10 and VSON-10

Description

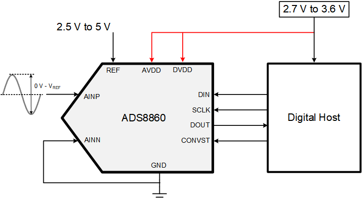
The ADS8860 is a 16-bit, 1-MSPS, single-ended input, analog-to-digital converter (ADC). The device operates with a 2.5-V to 5-V external reference, offering a wide selection of signal ranges without additional input signal scaling. The reference voltage setting is independent of, and can exceed, the analog supply voltage (AVDD).

The device offers an SPI-compatible serial interface that also supports daisy-chain operation for cascading multiple devices. An optional busy-indicator bit makes synchronizing with the digital host easy.

The device supports unipolar single-ended analog inputs in the range of –0.1 V to VREF + 0.1 V.

Device operation is optimized for very low-power operation. Power consumption directly scales with speed. This feature makes the ADS8860 excellent for lower-speed applications.

The ADS8860 is a 16-bit, 1-MSPS, single-ended input, analog-to-digital converter (ADC). The device operates with a 2.5-V to 5-V external reference, offering a wide selection of signal ranges without additional input signal scaling. The reference voltage setting is independent of, and can exceed, the analog supply voltage (AVDD).

The device offers an SPI-compatible serial interface that also supports daisy-chain operation for cascading multiple devices. An optional busy-indicator bit makes synchronizing with the digital host easy.

The device supports unipolar single-ended analog inputs in the range of –0.1 V to VREF + 0.1 V.

Device operation is optimized for very low-power operation. Power consumption directly scales with speed. This feature makes the ADS8860 excellent for lower-speed applications.

Subscribe to Welllinkchips !
Your Name
* Email
Submit a request