0
ADS8688AT
  • ADS8688AT
  • ADS8688AT

ADS8688AT

ACTIVE

16-bit, 500kSPS 8-channel SAR ADC with bipolar inputs using 5V low-drift VREF and wide temp range

Texas Instruments ADS8688AT Product Info

1 April 2026 0

Parameters

Resolution (Bits)

16

Sample rate (max) (ksps)

500

Number of input channels

8

Interface type

SPI

Architecture

SAR

Input type

Single-ended

Multichannel configuration

Multiplexed

Rating

Catalog

Reference mode

External, Internal

Input voltage range (max) (V)

10.24

Input voltage range (min) (V)

-10.24

Features

Daisy-Chainable, Oscillator, Over-Voltage Protection, PGA

Operating temperature range (°C)

-55 to 125

Power consumption (typ) (mW)

65

Analog supply voltage (min) (V)

4.75

Analog supply voltage (max) (V)

5.25

SNR (dB)

92

Digital supply (min) (V)

1.65

Digital supply (max) (V)

5.25

Package

TSSOP (DBT)-38-62.08 mm² 9.7 x 6.4

Features

  • 16-Bit ADC With Integrated Analog Front-End
  • 8-Channel MUX With Auto and Manual Scan
  • Channel-Independent Programmable Inputs:
    • ±10.24 V, ±5.12 V, ±2.56 V, ±1.28 V, ±0.64 V
    • 10.24 V, 5.12 V, 2.56 V, 1.28 V
  • 5-V Analog Supply: 1.65-V to 5-V I/O Supply
  • Constant Resistive Input Impedance: 1 MΩ
  • Input Overvoltage Protection: Up to ±20 V
  • Integrated 4.096-V Reference With 6 ppm/°C Drift
  • Excellent Performance:
    • 500-kSPS Aggregate Throughput
    • DNL: ±0.5 LSB; INL: ±0.75 LSB
    • 1-ppm/°C Drift for Gain Error and Offset
    • SNR: 92 dB; THD: –102 dB
    • Low Power: 65 mW
  • AUX Input → Direct Connection to ADC Inputs
  • ALARM → High and Low Thresholds per Channel
  • SPI™-Compatible Interface With Daisy-Chain
  • Temperature Range: –55°C to +125°C
  • TSSOP-38 Package (9.7 mm × 4.4 mm)
  • 16-Bit ADC With Integrated Analog Front-End
  • 8-Channel MUX With Auto and Manual Scan
  • Channel-Independent Programmable Inputs:
    • ±10.24 V, ±5.12 V, ±2.56 V, ±1.28 V, ±0.64 V
    • 10.24 V, 5.12 V, 2.56 V, 1.28 V
  • 5-V Analog Supply: 1.65-V to 5-V I/O Supply
  • Constant Resistive Input Impedance: 1 MΩ
  • Input Overvoltage Protection: Up to ±20 V
  • Integrated 4.096-V Reference With 6 ppm/°C Drift
  • Excellent Performance:
    • 500-kSPS Aggregate Throughput
    • DNL: ±0.5 LSB; INL: ±0.75 LSB
    • 1-ppm/°C Drift for Gain Error and Offset
    • SNR: 92 dB; THD: –102 dB
    • Low Power: 65 mW
  • AUX Input → Direct Connection to ADC Inputs
  • ALARM → High and Low Thresholds per Channel
  • SPI™-Compatible Interface With Daisy-Chain
  • Temperature Range: –55°C to +125°C
  • TSSOP-38 Package (9.7 mm × 4.4 mm)

Description

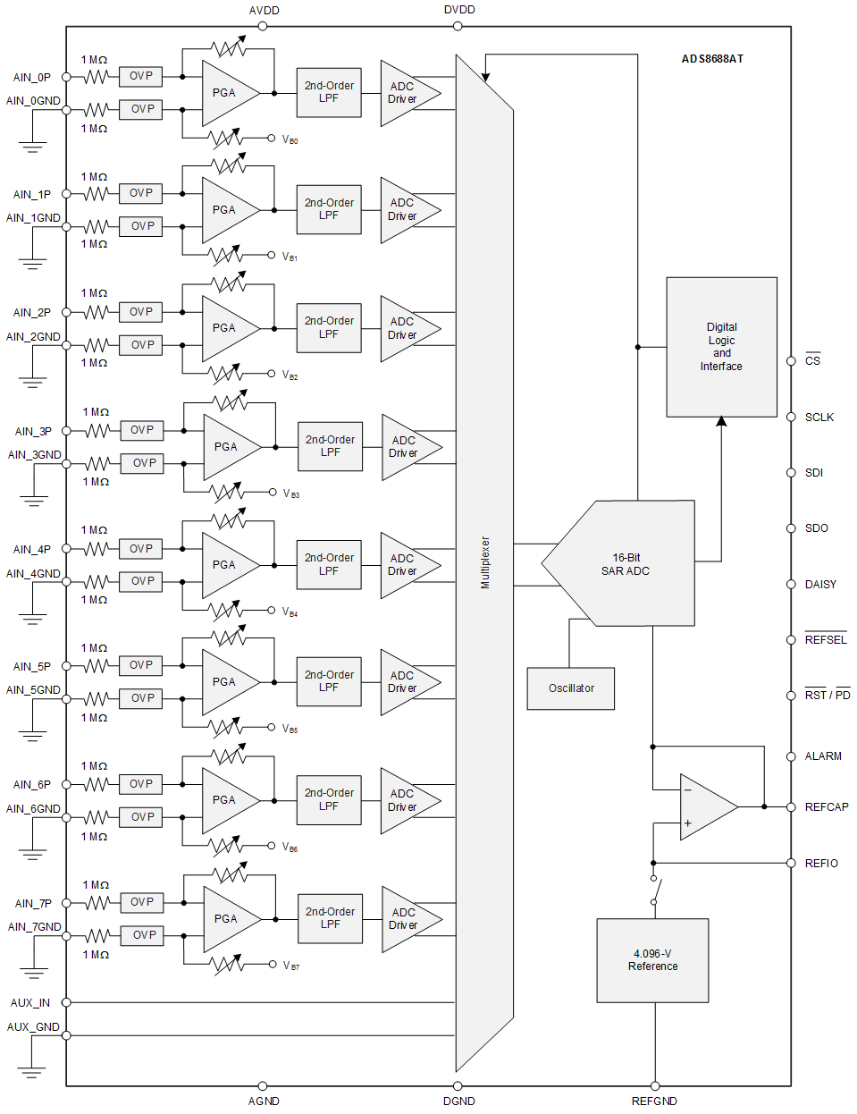
The ADS8688AT is an 8-channel, integrated data acquisition system based on a 16-bit successive approximation (SAR) analog-to-digital converter (ADC), operating at a throughput of up to 500 kSPS. The device features integrated analog front-end circuitry for each input channel with up to ±20-V overvoltage protection, an 8-channel multiplexer with automatic and manual scanning modes, and an integrated 4.096-V reference with low temperature drift.

Operating on a single 5-V analog supply, each input channel can support multiple true bipolar as well as unipolar input ranges. Each input range is software-programmable and independent for each channel, enabling maximum system flexibility. The analog front-end gain is accurately trimmed to ensure high dc precision for all input ranges. The device offers a 1-MΩ constant resistive input impedance for any selected input range, enabling direct sensor connection to the device.

The ADS8688AT offers a simple SPI-compatible serial interface to the digital host and also supports daisy-chaining of multiple devices. The digital supply operates from 1.65 V to 5.25 V, enabling direct interface to a wide range of host controllers.

The ADS8688AT is an 8-channel, integrated data acquisition system based on a 16-bit successive approximation (SAR) analog-to-digital converter (ADC), operating at a throughput of up to 500 kSPS. The device features integrated analog front-end circuitry for each input channel with up to ±20-V overvoltage protection, an 8-channel multiplexer with automatic and manual scanning modes, and an integrated 4.096-V reference with low temperature drift.

Operating on a single 5-V analog supply, each input channel can support multiple true bipolar as well as unipolar input ranges. Each input range is software-programmable and independent for each channel, enabling maximum system flexibility. The analog front-end gain is accurately trimmed to ensure high dc precision for all input ranges. The device offers a 1-MΩ constant resistive input impedance for any selected input range, enabling direct sensor connection to the device.

The ADS8688AT offers a simple SPI-compatible serial interface to the digital host and also supports daisy-chaining of multiple devices. The digital supply operates from 1.65 V to 5.25 V, enabling direct interface to a wide range of host controllers.

Subscribe to Welllinkchips !
Your Name
* Email
Submit a request