0
ADS1014
  • ADS1014
  • ADS1014
  • ADS1014
  • ADS1014
  • ADS1014
  • ADS1014

ADS1014

ACTIVE

12-Bit 3.3kSPS 1-Ch Delta-Sigma ADC With PGA, Oscillator, Voltage Reference, Comparator, and I2C

Texas Instruments ADS1014 Product Info

1 April 2026 0

Parameters

Resolution (Bits)

12

Sample rate (max) (ksps)

3.3

Number of input channels

1

Interface type

I2C

Architecture

Delta-Sigma

Input type

Differential, Single-ended

Rating

Catalog

Reference mode

Internal

Input voltage range (max) (V)

5.5

Input voltage range (min) (V)

0

Features

Comparator, Oscillator, PGA, Small Size

Operating temperature range (°C)

-40 to 125

Power consumption (typ) (mW)

0.3

Analog supply voltage (min) (V)

2

Analog supply voltage (max) (V)

5.5

Digital supply (min) (V)

2

Digital supply (max) (V)

5.5

Package

VSSOP (DGS)-10-14.7 mm² 3 x 4.9

Features

  • Ultra-small packages:
    • X2QFN: 1.5mm × 2mm × 0.4mm
    • SOT: 2.9mm × 2.8mm × 0.6mm
  • Noise-free resolution: 12 bits
  • Wide supply range: 2.0V to 5.5V
  • Low current consumption: 150µA (continuous-conversion mode)
  • Programmable data rate: 128SPS to 3.3kSPS
  • Single-cycle settling
  • Internal low-drift voltage reference
  • Internal oscillator
  • I2C interface: Four pin-selectable addresses
  • Operating temperature range: –40°C to +125°C
  • Family of devices:
    • ADS1013: 1 single-ended (SE) or differential (DE) input
    • ADS1014: 1 single-ended or differential input with comparator and PGA
    • ADS1015: 4 single-ended or 2 differential inputs with comparator and PGA
  • Ultra-small packages:
    • X2QFN: 1.5mm × 2mm × 0.4mm
    • SOT: 2.9mm × 2.8mm × 0.6mm
  • Noise-free resolution: 12 bits
  • Wide supply range: 2.0V to 5.5V
  • Low current consumption: 150µA (continuous-conversion mode)
  • Programmable data rate: 128SPS to 3.3kSPS
  • Single-cycle settling
  • Internal low-drift voltage reference
  • Internal oscillator
  • I2C interface: Four pin-selectable addresses
  • Operating temperature range: –40°C to +125°C
  • Family of devices:
    • ADS1013: 1 single-ended (SE) or differential (DE) input
    • ADS1014: 1 single-ended or differential input with comparator and PGA
    • ADS1015: 4 single-ended or 2 differential inputs with comparator and PGA

Description

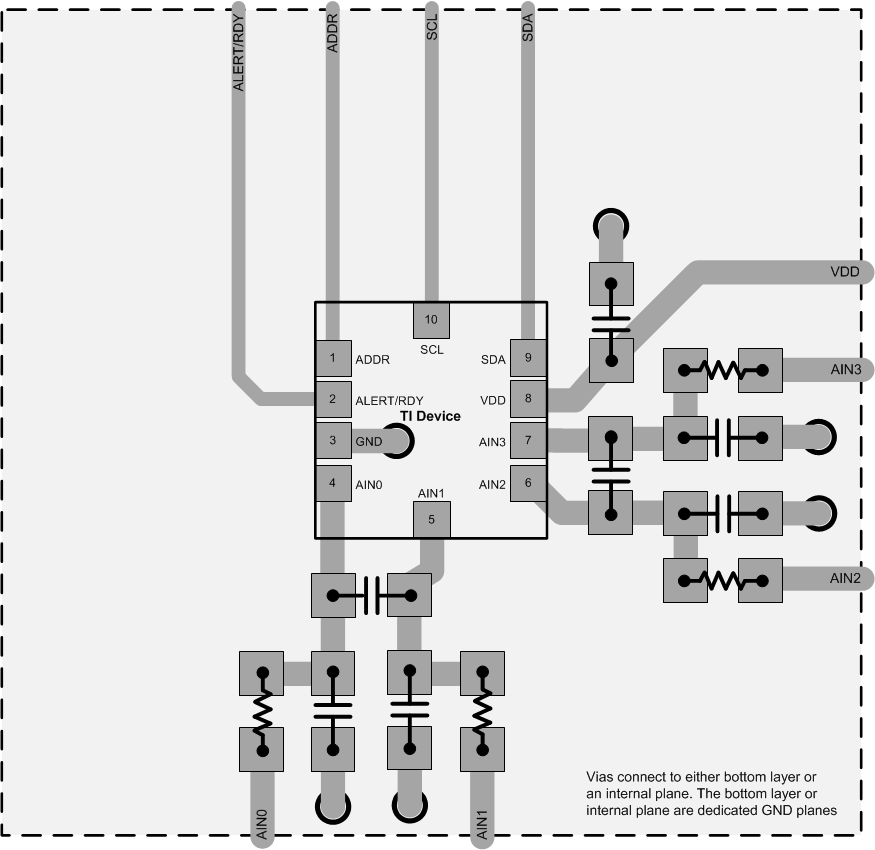
The ADS1013, ADS1014, and ADS1015 (ADS101x) are precision, low-power, 12-bit, I2C-compatible, analog-to-digital converters (ADCs) offered in a leadless X2QFN-10, a SOT-10, and a VSSOP-10 package. The ADS101x incorporates a low-drift voltage reference and an oscillator. The ADS1014 and ADS1015 also incorporate a programmable gain amplifier (PGA) and a digital comparator. These features, along with a wide operating supply range, are useful for power- and space-constrained, sensor measurement applications.

The ADS101x perform conversions at data rates up to 3300 samples per second (SPS). The PGA offers input ranges from ±256mV to ±6.144V, allowing precise large- and small-signal measurements. The ADS1015 features an input multiplexer (MUX) that allows two differential or four single-ended input measurements. Use the digital comparator in the ADS1014 and ADS1015 for under- and overvoltage detection.

The ADS1013, ADS1014, and ADS1015 (ADS101x) are precision, low-power, 12-bit, I2C-compatible, analog-to-digital converters (ADCs) offered in a leadless X2QFN-10, a SOT-10, and a VSSOP-10 package. The ADS101x incorporates a low-drift voltage reference and an oscillator. The ADS1014 and ADS1015 also incorporate a programmable gain amplifier (PGA) and a digital comparator. These features, along with a wide operating supply range, are useful for power- and space-constrained, sensor measurement applications.

The ADS101x perform conversions at data rates up to 3300 samples per second (SPS). The PGA offers input ranges from ±256mV to ±6.144V, allowing precise large- and small-signal measurements. The ADS1015 features an input multiplexer (MUX) that allows two differential or four single-ended input measurements. Use the digital comparator in the ADS1014 and ADS1015 for under- and overvoltage detection.

Subscribe to Welllinkchips !
Your Name
* Email
Submit a request