0
ADC12SJ800
  • ADC12SJ800
  • ADC12SJ800
  • ADC12SJ800
  • ADC12SJ800

ADC12SJ800

ACTIVE

Single-channel, 12-bit, 800-MSPS analog-to-digital converter (ADC) with JESD204C interface

Texas Instruments ADC12SJ800 Product Info

1 April 2026 1

Parameters

Sample rate (max) (Msps)

800

Resolution (Bits)

12

Number of input channels

1

Interface type

JESD204B, JESD204C

Analog input BW (MHz)

6000

Features

Ultra High Speed

Rating

Catalog

Peak-to-peak input voltage range (V)

0.8

Power consumption (typ) (mW)

830

Architecture

Folding Interpolating

SNR (dB)

57.6

ENOB (Bits)

9

SFDR (dB)

62

Operating temperature range (°C)

-40 to 85

Input buffer

Yes

Package

FCCSP (AAV)-144-100 mm² 10 x 10

Features

  • ADC Core:
    • Resolution: 12 Bit
    • Maximum sampling rate: 800MSPS
    • Non-interleaved architecture
    • Internal dither reduces high-order harmonics
  • Performance specifications (–1dBFS):
    • SNR (97 MHz): 57.6dBFS
    • ENOB (97 MHz): 9 Bits
    • SFDR (97 MHz): 62dBFS
    • Noise floor (–20dBFS): –146.1dBFS/Hz
  • Full-scale input voltage: 800mVPP-DIFF
  • Full-power input bandwidth: GHz
  • JESD204C Serial data interface:
    • Support for 2 to 8 (Quad/Dual channel) or 1 to 4 (Single channel) total SerDes lanes
    • Maximum baud-rate: 17.16Gbps
    • 64B/66B and 8B/10B encoding modes
    • Subclass-1 support for deterministic latency
    • Compatible with JESD204B receivers
  • Optional internal sampling clock generation
    • Internal PLL and VCO (7.2–8.2GHz)
  • SYSREF Windowing eases synchronization
  • Four clock outputs simplify system clocking
    • Reference clocks for FPGA or adjacent ADC
    • Reference clock for SerDes transceivers
  • Timestamp input and output for pulsed systems
  • Power consumption (800MSPS):
    • Quad Channel: 415mW / channel
    • Dual channel: 555mW / channel
    • Single channel: 830mW
  • Power supplies: 1.1V, 1.9V
  • ADC Core:
    • Resolution: 12 Bit
    • Maximum sampling rate: 800MSPS
    • Non-interleaved architecture
    • Internal dither reduces high-order harmonics
  • Performance specifications (–1dBFS):
    • SNR (97 MHz): 57.6dBFS
    • ENOB (97 MHz): 9 Bits
    • SFDR (97 MHz): 62dBFS
    • Noise floor (–20dBFS): –146.1dBFS/Hz
  • Full-scale input voltage: 800mVPP-DIFF
  • Full-power input bandwidth: GHz
  • JESD204C Serial data interface:
    • Support for 2 to 8 (Quad/Dual channel) or 1 to 4 (Single channel) total SerDes lanes
    • Maximum baud-rate: 17.16Gbps
    • 64B/66B and 8B/10B encoding modes
    • Subclass-1 support for deterministic latency
    • Compatible with JESD204B receivers
  • Optional internal sampling clock generation
    • Internal PLL and VCO (7.2–8.2GHz)
  • SYSREF Windowing eases synchronization
  • Four clock outputs simplify system clocking
    • Reference clocks for FPGA or adjacent ADC
    • Reference clock for SerDes transceivers
  • Timestamp input and output for pulsed systems
  • Power consumption (800MSPS):
    • Quad Channel: 415mW / channel
    • Dual channel: 555mW / channel
    • Single channel: 830mW
  • Power supplies: 1.1V, 1.9V

Description

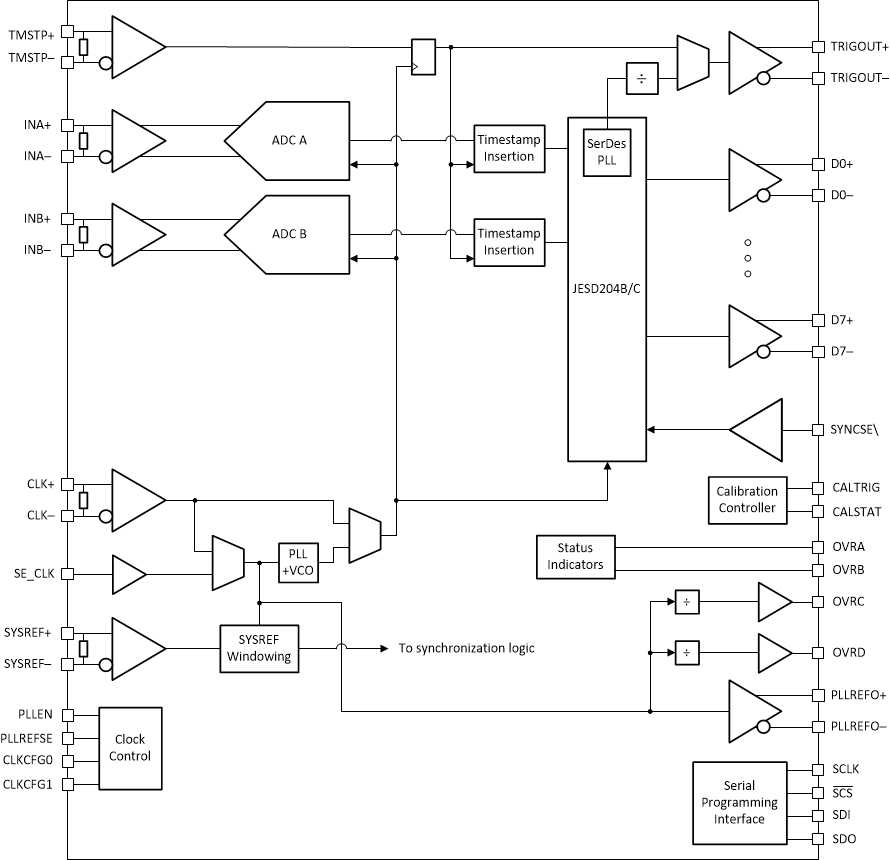
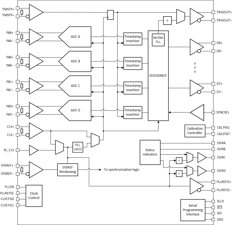
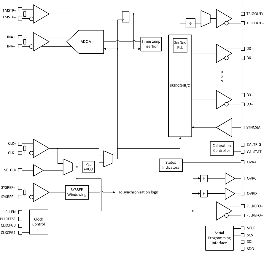
ADC12xJ800 is a family of quad, dual and single channel, 12-bit, 800 MSPS analog-to-digital converters (ADC). Low power consumption, high sampling rate and 12-bit resolution makes the ADC12xJ800 ideally suited for a variety of multi-channel communications and test systems.

Full-power input bandwidth (-3dB) of 6GHz enables direct RF sampling of L-band and S-band.

A number of clocking features are included to relax system hardware requirements, such as an internal phase-locked loop (PLL) with integrated voltage-controlled oscillator (VCO) to generate the sampling clock. Four clock outputs are provided to clock the logic and SerDes of the FPGA or ASIC. A timestamp input and output is provided for pulsed systems.

JESD204C serialized interface decreases system size by reducing the amount of printed circuit board (PCB) routing. Interface modes support from 2 to 8 lanes (dual and quad channel devices) or 1 to 4 lanes (for the single channel device), with SerDes baud-rates up to 17.16Gbps, to allow the optimal configuration for each application.

ADC12xJ800 is a family of quad, dual and single channel, 12-bit, 800 MSPS analog-to-digital converters (ADC). Low power consumption, high sampling rate and 12-bit resolution makes the ADC12xJ800 ideally suited for a variety of multi-channel communications and test systems.

Full-power input bandwidth (-3dB) of 6GHz enables direct RF sampling of L-band and S-band.

A number of clocking features are included to relax system hardware requirements, such as an internal phase-locked loop (PLL) with integrated voltage-controlled oscillator (VCO) to generate the sampling clock. Four clock outputs are provided to clock the logic and SerDes of the FPGA or ASIC. A timestamp input and output is provided for pulsed systems.

JESD204C serialized interface decreases system size by reducing the amount of printed circuit board (PCB) routing. Interface modes support from 2 to 8 lanes (dual and quad channel devices) or 1 to 4 lanes (for the single channel device), with SerDes baud-rates up to 17.16Gbps, to allow the optimal configuration for each application.

Subscribe to Welllinkchips !
Your Name
* Email
Submit a request