0
ADC1173
  • ADC1173
  • ADC1173
  • ADC1173

ADC1173

ACTIVE

8-Bit 15MSPS Analog-to-Digital Converter (ADC) Key Specifications Key Specifications

Texas Instruments ADC1173 Product Info

1 April 2026 0

Parameters

Sample rate (max) (Msps)

15

Resolution (Bits)

8

Number of input channels

1

Interface type

Parallel CMOS

Analog input BW (MHz)

120

Features

Low Power

Rating

Catalog

Peak-to-peak input voltage range (V)

2

Power consumption (typ) (mW)

33

Architecture

Two-Step

SNR (dB)

49

ENOB (Bits)

7.7

SFDR (dB)

65

Operating temperature range (°C)

-40 to 75

Input buffer

No

Package

TSSOP (PW)-24-49.92 mm² 7.8 x 6.4

Features

  • Internal Sample-and-Hold Function
  • Single +3V Operation
  • Internal Reference Bias Resistors
  • Industry Standard Pinout

Key Specifications

  • Resolution 8 Bits
  • Maximum Sampling Frequency 15 MSPS (min)
  • THD −54 dB (typ)
  • DNL ±0.85 LSB (max)
  • ENOB at 3.58 MHz Input 7.6 Bits (typ)
  • Differential Phase 0.5 Degree (max)
  • Differential Gain 1.5% (typ)
  • Power Consumption 33 mW (typ) (excluding reference current)

All trademarks are the property of their respective owners.

  • Internal Sample-and-Hold Function
  • Single +3V Operation
  • Internal Reference Bias Resistors
  • Industry Standard Pinout

Key Specifications

  • Resolution 8 Bits
  • Maximum Sampling Frequency 15 MSPS (min)
  • THD −54 dB (typ)
  • DNL ±0.85 LSB (max)
  • ENOB at 3.58 MHz Input 7.6 Bits (typ)
  • Differential Phase 0.5 Degree (max)
  • Differential Gain 1.5% (typ)
  • Power Consumption 33 mW (typ) (excluding reference current)

All trademarks are the property of their respective owners.

Description

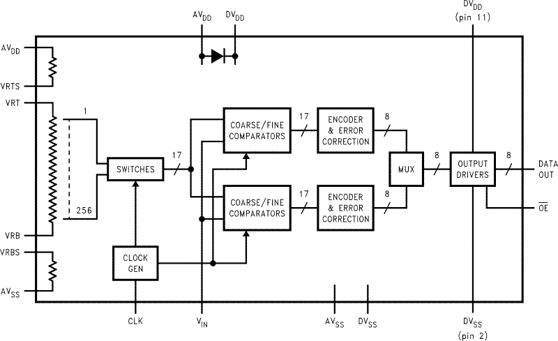
The ADC1173 is a low power, 15 MSPS analog-to-digital converter that digitizes signals to 8 bits while consuming just 33 mW of power (typ). The ADC1173 uses a unique architecture that achieves 7.6 Effective Bits. Output formatting is straight binary coding.

The excellent DC and AC characteristics of this device, together with its low power consumption and +3V single supply operation, make it ideally suited for many video, imaging and communications applications, including use in portable equipment. Furthermore, the ADC1173 is resistant to latch-up and the outputs are short-circuit proof. The top and bottom of the ADC1173's reference ladder is available for connections, enabling a wide range of input possibilities.

The ADC1173 is offered in a 24-pin TSSOP package and is designed to operate over the -40°C to +75°C commercial temperature range.

The ADC1173 is a low power, 15 MSPS analog-to-digital converter that digitizes signals to 8 bits while consuming just 33 mW of power (typ). The ADC1173 uses a unique architecture that achieves 7.6 Effective Bits. Output formatting is straight binary coding.

The excellent DC and AC characteristics of this device, together with its low power consumption and +3V single supply operation, make it ideally suited for many video, imaging and communications applications, including use in portable equipment. Furthermore, the ADC1173 is resistant to latch-up and the outputs are short-circuit proof. The top and bottom of the ADC1173's reference ladder is available for connections, enabling a wide range of input possibilities.

The ADC1173 is offered in a 24-pin TSSOP package and is designed to operate over the -40°C to +75°C commercial temperature range.

Subscribe to Welllinkchips !
Your Name
* Email
Submit a request