0
ADC0838-N
  • ADC0838-N
  • ADC0838-N
  • ADC0838-N
  • ADC0838-N
  • ADC0838-N

ADC0838-N

ACTIVE

8-Bit, 8-Ch Serial I/O A/D Converter Key Specifications Key Specifications

Texas Instruments ADC0838-N Product Info

1 April 2026 0

Parameters

Resolution (Bits)

8

Sample rate (max) (ksps)

31.25

Number of input channels

8

Interface type

Microwire (Serial I/O), SPI

Architecture

SAR

Input type

Differential, Pseudo-Differential, Single-ended

Multichannel configuration

Multiplexed

Rating

Catalog

Reference mode

External

Input voltage range (max) (V)

6.3

Input voltage range (min) (V)

0

Operating temperature range (°C)

-40 to 85

Power consumption (typ) (mW)

4.5

Analog supply voltage (min) (V)

4.5

Analog supply voltage (max) (V)

6.3

Digital supply (min) (V)

4.5

Digital supply (max) (V)

6.3

Package

SOIC (DW)-20-131.84 mm² 12.8 x 10.3

Features

  • TI MICROWIRE Compatible—Direct Interface to COPS Family Processors
  • Easy Interface to All Microprocessors, or Operates “Stand-Alone”
  • Operates Ratiometrically or with 5 VDC Voltage Reference
  • No Zero or Full‐Scale Adjust Required
  • 2‐, 4‐ or 8‐Channel Multiplexer Options with Address Logic
  • Shunt Regulator Allows Operation with High Voltage Supplies
  • 0V to 5V Input Range with Single 5V Power Supply
  • Remote Operation with Serial Digital Data Link
  • TTL/MOS Input/Output Compatible
  • 0.3 in. Standard Width, 8‐, 14‐ or 20‐Pin PDIP Package
  • 20 Pin PLCC Package (ADC0838-N Only)
  • SOIC Package

Key Specifications

  • Resolution: 8 Bits
  • Total Unadjusted Error: ±½ LSB and ±1 LSB
  • Single Supply: 5 VDC
  • Low Power: 15 mW
  • Conversion Time: 32 μs

All trademarks are the property of their respective owners.

  • TI MICROWIRE Compatible—Direct Interface to COPS Family Processors
  • Easy Interface to All Microprocessors, or Operates “Stand-Alone”
  • Operates Ratiometrically or with 5 VDC Voltage Reference
  • No Zero or Full‐Scale Adjust Required
  • 2‐, 4‐ or 8‐Channel Multiplexer Options with Address Logic
  • Shunt Regulator Allows Operation with High Voltage Supplies
  • 0V to 5V Input Range with Single 5V Power Supply
  • Remote Operation with Serial Digital Data Link
  • TTL/MOS Input/Output Compatible
  • 0.3 in. Standard Width, 8‐, 14‐ or 20‐Pin PDIP Package
  • 20 Pin PLCC Package (ADC0838-N Only)
  • SOIC Package

Key Specifications

  • Resolution: 8 Bits
  • Total Unadjusted Error: ±½ LSB and ±1 LSB
  • Single Supply: 5 VDC
  • Low Power: 15 mW
  • Conversion Time: 32 μs

All trademarks are the property of their respective owners.

Description

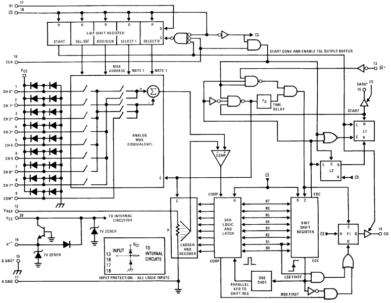
The ADC0831 series are 8-bit successive approximation A/D converters with a serial I/O and configurable input multiplexers with up to 8 channels. The serial I/O is configured to comply with the TI MICROWIRE serial data exchange standard for easy interface to the COPS family of processors, and can interface with standard shift registers or μPs.

The 2‐, 4‐ or 8‐channel multiplexers are software configured for single‐ended or differential inputs as well as channel assignment.

The differential analog voltage input allows increasing the common‐mode rejection and offsetting the analog zero input voltage value. In addition, the voltage reference input can be adjusted to allow encoding any smaller analog voltage span to the full 8 bits of resolution.

The ADC0831 series are 8-bit successive approximation A/D converters with a serial I/O and configurable input multiplexers with up to 8 channels. The serial I/O is configured to comply with the TI MICROWIRE serial data exchange standard for easy interface to the COPS family of processors, and can interface with standard shift registers or μPs.

The 2‐, 4‐ or 8‐channel multiplexers are software configured for single‐ended or differential inputs as well as channel assignment.

The differential analog voltage input allows increasing the common‐mode rejection and offsetting the analog zero input voltage value. In addition, the voltage reference input can be adjusted to allow encoding any smaller analog voltage span to the full 8 bits of resolution.

Subscribe to Welllinkchips !
Your Name
* Email
Submit a request