0
ADC3664-SEP
  • ADC3664-SEP
  • ADC3664-SEP
  • ADC3664-SEP

ADC3664-SEP

ACTIVE

Radiation-tolerant, 30-krad, 14-bit, dual 125-MSPS ADC

Texas Instruments ADC3664-SEP Product Info

1 April 2026 1

Parameters

Sample rate (max) (Msps)

125

Resolution (Bits)

14

Number of input channels

2

Interface type

Serial LVDS

Analog input BW (MHz)

200

Features

Bypass Mode, Decimating Filter, Differential Inputs, Dual Channel, High Dynamic Range, High Performance, Internal Reference, LVDS interface, Low latency, Low power

Rating

Space

Peak-to-peak input voltage range (V)

3.2

Power consumption (typ) (mW)

200

Architecture

SAR

SNR (dB)

78

ENOB (Bits)

12.6

SFDR (dB)

84

Operating temperature range (°C)

-55 to 105

Radiation, TID (typ) (krad)

30

Radiation, SEL (MeV·cm2/mg)

43

Package

WQFN (RSB)-40-25 mm² 5 x 5

Features

  • Radiation tolerant (-SEP only):
    • Single-event latch-up (SEL) immune up to LET = 43 MeV-cm2/mg
    • Single-event functional interrupt (SEFI) characterized up to LET = 43 MeV-cm2/mg
    • Total ionizing dose (TID): 30krad(Si)
  • Enhanced product (-EP and -SEP):
    • Meets ASTM E595 outgassing specification
    • Vendor item drawing (VID)
    • Temperature range: –55°C to 105°C
    • One fabrication, assembly, and test site
    • Gold bond wire, NiPdAu lead finish
    • Wafer lot traceability
    • Extended product life cycle
  • Dual channel, 125MSPS ADC
  • 14-bit resolution (no missing codes)
  • Noise floor: –156.9dBFS/Hz
  • Low power consumption: 100mW/ch (at 125MSPS)
  • Latency: 2 clock cycles
  • Voltage reference options:
    • External: 1 to 125MSPS
    • Internal: 100 to 125MSPS
  • Input bandwidth: 200MHz (3dB)
  • INL: ±2.6 LSB; DNL: ±0.9 LSB (typical)
  • On-chip DSP (optional/bypassable)
    • Decimation by 2, 4, 8, 16, 32
    • 32-bit NCO
  • Serial LVDS digital interface (2-, 1- and 1/2-wire)
  • Small Footprint: 40 QFN (5 × 5mm) package
  • Spectral performance (fIN = 5MHz):
    • SNR: 77.5dBFS
    • SFDR: 84dBc HD2, HD3
    • SFDR: 92dBFS worst spur
  • Radiation tolerant (-SEP only):
    • Single-event latch-up (SEL) immune up to LET = 43 MeV-cm2/mg
    • Single-event functional interrupt (SEFI) characterized up to LET = 43 MeV-cm2/mg
    • Total ionizing dose (TID): 30krad(Si)
  • Enhanced product (-EP and -SEP):
    • Meets ASTM E595 outgassing specification
    • Vendor item drawing (VID)
    • Temperature range: –55°C to 105°C
    • One fabrication, assembly, and test site
    • Gold bond wire, NiPdAu lead finish
    • Wafer lot traceability
    • Extended product life cycle
  • Dual channel, 125MSPS ADC
  • 14-bit resolution (no missing codes)
  • Noise floor: –156.9dBFS/Hz
  • Low power consumption: 100mW/ch (at 125MSPS)
  • Latency: 2 clock cycles
  • Voltage reference options:
    • External: 1 to 125MSPS
    • Internal: 100 to 125MSPS
  • Input bandwidth: 200MHz (3dB)
  • INL: ±2.6 LSB; DNL: ±0.9 LSB (typical)
  • On-chip DSP (optional/bypassable)
    • Decimation by 2, 4, 8, 16, 32
    • 32-bit NCO
  • Serial LVDS digital interface (2-, 1- and 1/2-wire)
  • Small Footprint: 40 QFN (5 × 5mm) package
  • Spectral performance (fIN = 5MHz):
    • SNR: 77.5dBFS
    • SFDR: 84dBc HD2, HD3
    • SFDR: 92dBFS worst spur

Description

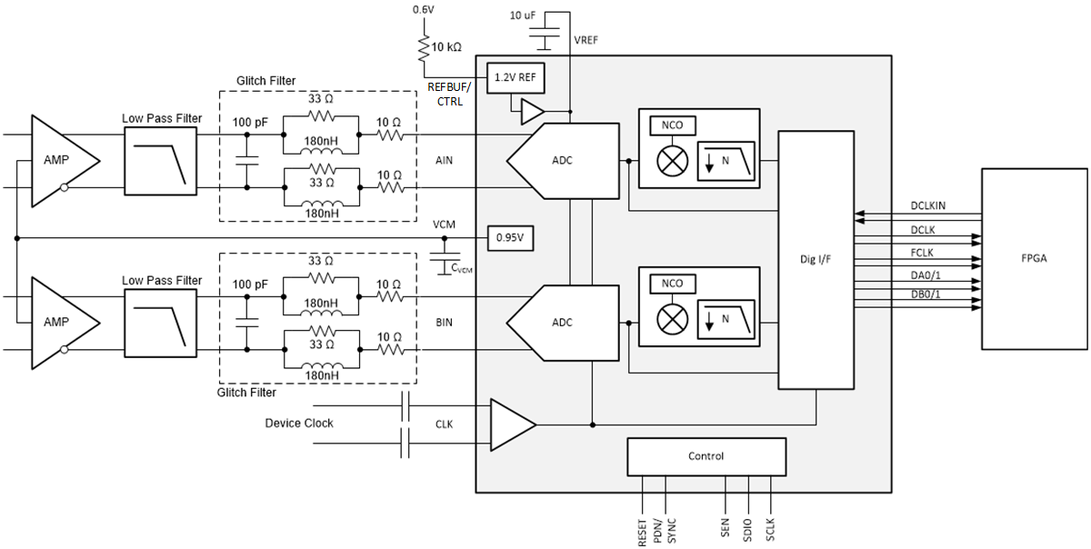
The ADC3664-xEP device is a low-noise, ultra-low power, 14-bit, 125MSPS, high-speed dual channel ADC. Designed for lowest noise performance, the device delivers a noise spectral density of -156.9dBFS/Hz combined with linearity and dynamic range. The ADC3664-xEP offers IF sampling support which makes the device designed for a wide range of applications. High-speed control loops benefit from the short latency as low as one clock cycle. The ADC consumes only 100mW/ch at 125MSPS, and the power consumption scales well with lower sampling rates.

The ADC3664-xEP uses a serial LVDS (SLVDS) interface to output the data which minimizes the number of digital interconnects. The device supports a two-lane, one-lane and half-lane option. The device supports an extended temperature range from –55°C to +105°C.

The ADC3664-xEP device is a low-noise, ultra-low power, 14-bit, 125MSPS, high-speed dual channel ADC. Designed for lowest noise performance, the device delivers a noise spectral density of -156.9dBFS/Hz combined with linearity and dynamic range. The ADC3664-xEP offers IF sampling support which makes the device designed for a wide range of applications. High-speed control loops benefit from the short latency as low as one clock cycle. The ADC consumes only 100mW/ch at 125MSPS, and the power consumption scales well with lower sampling rates.

The ADC3664-xEP uses a serial LVDS (SLVDS) interface to output the data which minimizes the number of digital interconnects. The device supports a two-lane, one-lane and half-lane option. The device supports an extended temperature range from –55°C to +105°C.

Subscribe to Welllinkchips !
Your Name
* Email
Submit a request