0
ADC082S021
  • ADC082S021
  • ADC082S021
  • ADC082S021
  • ADC082S021

ADC082S021

ACTIVE

2 Channel, 50 ksps to 200 ksps, 8-Bit A/D Converter Key Specifications Key Specifications

Texas Instruments ADC082S021 Product Info

1 April 2026 0

Parameters

Resolution (Bits)

8

Sample rate (max) (ksps)

200

Number of input channels

2

Interface type

Microwire (Serial I/O), SPI

Architecture

SAR

Input type

Single-ended

Multichannel configuration

Multiplexed

Rating

Catalog

Reference mode

Supply

Input voltage range (max) (V)

5.25

Input voltage range (min) (V)

0

Operating temperature range (°C)

-40 to 85

Power consumption (typ) (mW)

1.6

Analog supply voltage (min) (V)

2.7

Analog supply voltage (max) (V)

5.25

SNR (dB)

49.6

Digital supply (min) (V)

2.7

Digital supply (max) (V)

5.25

Package

VSSOP (DGK)-8-14.7 mm² 3 x 4.9

Features

  • Specified Over a Range of Sample Rates.
  • Two Input Channels
  • Variable Power Management
  • Single Power Supply with 2.7V - 5.25V Range

Key Specifications

  • DNL: ±0.04 LSB (typ)
  • INL: ±0.04 LSB (typ)
  • SNR: 49.6 dB (typ)
  • Power Consumption:
    • 3V Supply 1.6 mW (typ)
    • 5V Supply 5.8 mW (typ)

All trademarks are the property of their respective owners.

  • Specified Over a Range of Sample Rates.
  • Two Input Channels
  • Variable Power Management
  • Single Power Supply with 2.7V - 5.25V Range

Key Specifications

  • DNL: ±0.04 LSB (typ)
  • INL: ±0.04 LSB (typ)
  • SNR: 49.6 dB (typ)
  • Power Consumption:
    • 3V Supply 1.6 mW (typ)
    • 5V Supply 5.8 mW (typ)

All trademarks are the property of their respective owners.

Description

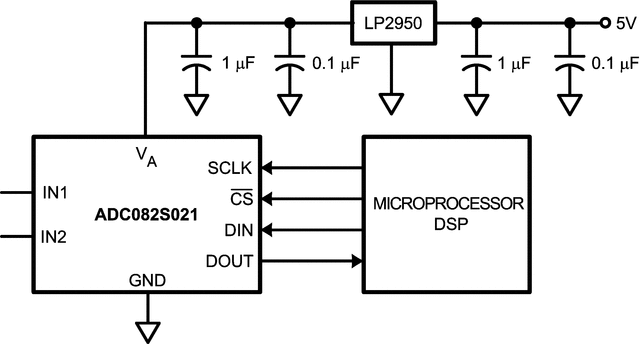
The ADC082S021 is a low-power, two-channel CMOS 8-bit analog-to-digital converter with a high-speed serial interface. Unlike the conventional practice of specifying performance at a single sample rate only, the ADC082S021 is fully specified over a sample rate range of 50 ksps to 200 ksps. The converter is based upon a successive-approximation register architecture with an internal track-and-hold circuit. It can be configured to accept one or two input signals at inputs IN1 and IN2.

The output serial data is straight binary, and is compatible with several standards, such as SPI™, QSPI™, MICROWIRE, and many common DSP serial interfaces.

The ADC082S021 operates with a single supply that can range from +2.7V to +5.25V. Normal power consumption using a +3V or +5V supply is 1.6 mW and 5.8 mW, respectively. The power-down feature reduces the power consumption to just 0.12 µW using a +3V supply, or 0.35 µW using a +5V supply.

The ADC082S021 is packaged in an 8-lead VSSOP package. Operation over the industrial temperature range of −40°C to +85°C.

The ADC082S021 is a low-power, two-channel CMOS 8-bit analog-to-digital converter with a high-speed serial interface. Unlike the conventional practice of specifying performance at a single sample rate only, the ADC082S021 is fully specified over a sample rate range of 50 ksps to 200 ksps. The converter is based upon a successive-approximation register architecture with an internal track-and-hold circuit. It can be configured to accept one or two input signals at inputs IN1 and IN2.

The output serial data is straight binary, and is compatible with several standards, such as SPI™, QSPI™, MICROWIRE, and many common DSP serial interfaces.

The ADC082S021 operates with a single supply that can range from +2.7V to +5.25V. Normal power consumption using a +3V or +5V supply is 1.6 mW and 5.8 mW, respectively. The power-down feature reduces the power consumption to just 0.12 µW using a +3V supply, or 0.35 µW using a +5V supply.

The ADC082S021 is packaged in an 8-lead VSSOP package. Operation over the industrial temperature range of −40°C to +85°C.

Subscribe to Welllinkchips !
Your Name
* Email
Submit a request