0
MAX9132
  • MAX9132

MAX9132

LAST TIME BUY

Programmable, High-Speed, Multiple Input/Output LVDS Crossbar Switches Reduce Point-to-Point LVDS Links with LIN or I²C Programmable Crossbar Switch

Analog Devices MAX9132 Product Info

10 February 2026 10

Features

  • Supports Up to 840Mbps Data Rate at Each Port
  • Nonactivated Ports are in High-Impedance State for Easy Port Expansion
  • Programmable Preemphasis on LVDS Outputs
  • Self Common-Mode Biasing on LVDS Inputs
  • Three Selectable Approaches for Switch Routing:
    • I²C Interface
    • LIN Interface
    • Programmable Pins (MAX9134/MAX9135)
  • ±25kV ESD Protection
  • +3.3V Supply Voltage
  • -40°C to +105°C Operating Temperature Range

Part details & applications

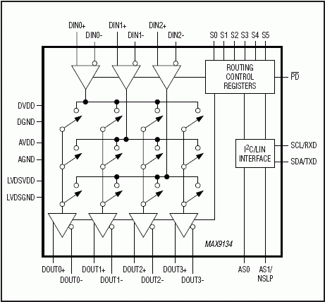
The MAX9132/MAX9134/MAX9135 high-speed, multiple-port, low-voltage differential signaling (LVDS) cross-bar switches are specially designed for digital video and camera signal transmission. These switches have a wide bandwidth, supporting data rates up to 840Mbps. The MAX9132 has three input ports and two output ports, the MAX9134 has three input ports and four output ports, and the MAX9135 has four input ports and three output ports. The digital video or camera signal can go through the switches from an input port to one or multiple output ports.

The MAX9132/MAX9134/MAX9135 switch routing is programmable through either an I²C interface or a Local Interconnect Network (LIN) serial interface. In addition, the MAX9134/MAX9135 provide pins to set switch routing. These pins also set the initial conditions for the I²C mode. To generate more input or output ports, these switches can be connected in parallel or in cascade.

The MAX9132/MAX9134/MAX9135 operate from a +3.3V supply and are specified over the -40°C to +105°C temperature range. The MAX9134/MAX9135 are available in a 32-pin (5mm x 5mm) TQFP package, while the MAX9132 is available in a 20-pin (6.5mm x 4.4mm) TSSOP package. The input/output port pins are rated up to ±25kV ESD for the ISO Air-Gap Discharge Model, ±15kV ESD for the IEC Air-Gap Discharge Model, and ±10kV for the ESD Contact Discharge Model. All other pins support up to ±3kV ESD for the Human Body Model.

Applications

  • Camera Surveillance Systems
  • Digital Video in Automotive
  • High-Speed Digital Media Routing
  • Navigation System Displays
  • Video/Audio Distribution Systems

Subscribe to Welllinkchips !
Your Name
* Email
Submit a request