0
MAX8900B
  • MAX8900B

MAX8900B

PRODUCTION

1.2A Switch-Mode Li+ Chargers with ±22V Input Rating and JEITA Battery Temperature Monitoring JEITA-Compliant Battery Chargers that Minimize Solution Size and Heat in Space-Constrained Consumer Electronics

Analog Devices MAX8900B Product Info

10 February 2026 5

Features

  • 3.25MHz Switching Li+/Li-Poly Battery Charger
  • JEITA Battery Temperature Monitor Adjusts Charge Current and Termination Voltage
  • 4.2V ±0.5% Battery Regulation Voltage (Alternate 4.1V Target Available on Request)
  • Adjustable Done Current Threshold
    • Adjustable from 10mA to 200mA
    • ±1mA Accuracy at 10mA
  • High-Efficiency and Low Heat
  • Uses a 2.0mm x 1.6mm Inductor
  • Positive and Negative Input Voltage Protection (±22V)
  • Up to +20V Operating Range (Alternate OVLO Ranges Available on Request)
  • Supports No-Battery Operation
  • Fault Timer
  • Charge Status Outputs
  • 2.44mm x 2.67mm x 0.64mm Package

Part details & applications

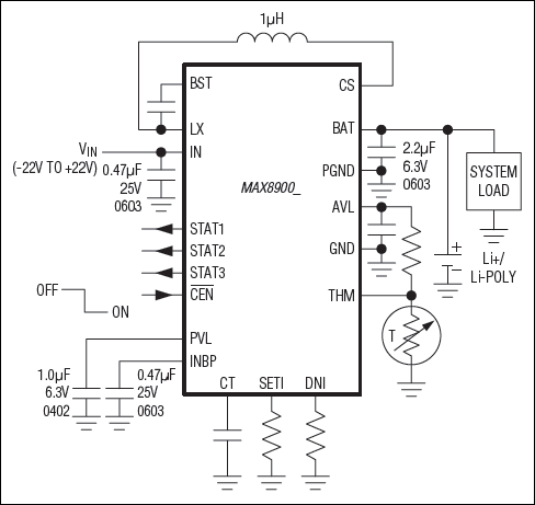
The MAX8900_ is a high-frequency, switch-mode charger for a 1-cell lithium ion (Li+) or lithium polymer (Li-Poly) battery. It delivers up to 1.2A of current to the battery from 3.4V to 6.3V (MAX8900A/MAX8900C) or 3.4V to 8.7V (MAX8900B). The 3.25MHz switch-mode charger is ideally suited to small portable devices such as headsets and ultra-portable media players because it minimizes component size and heat.

Several features make the MAX8900_ perfect for high-reliability systems. The MAX8900_ is protected against input voltages as high as +22V and as low as -22V. Battery protection features include low voltage prequalification, charge fault timer, die temperature monitoring, and battery temperature monitoring. The battery temperature monitoring adjusts the charge current and termination voltage as described in the JEITA* specification for safe use of secondary lithium-ion batteries.

Charge parameters are easily adjustable with external components. An external resistance adjusts the charge current from 50mA to 1200mA. Another external resistance adjusts the prequalification and done current thresholds from 10mA to 200mA. The done current threshold is very accurate achieving ±1mA at the 10mA level. The charge timer is adjustable with an external capacitor.

The MAX8900_ is available in a 0.4mm pitch, 2.44mm x 2.67mm x 0.64mm WLP package.

Applications

  • Digital Cameras
  • eBook
  • GPS, PND
  • Headsets and Media Players
  • Smartphones
  • USB Charging

Subscribe to Welllinkchips !
Your Name
* Email
Submit a request