0
HMC-C034
  • HMC-C034

HMC-C034

LAST TIME BUY

x2 Active Multiplier Module, 32 - 46 GHz Fout

Analog Devices HMC-C034 Product Info

10 February 2026 6

Features

  • High Output Power: +13 dBm
  • Low Input Power Drive: 0 to +6 dBm
  • 100 kHz SSB Phase Noise: -130 dBc/Hz
  • Fo Isolation >30 dBc @ Fout = 38 GHz
  • Single Supply: +5V @ 70 mA
  • Hermetically Sealed Module
  • Field Replaceable 2.92mm Connectors
  • -55° to +85°C Operating Temperature

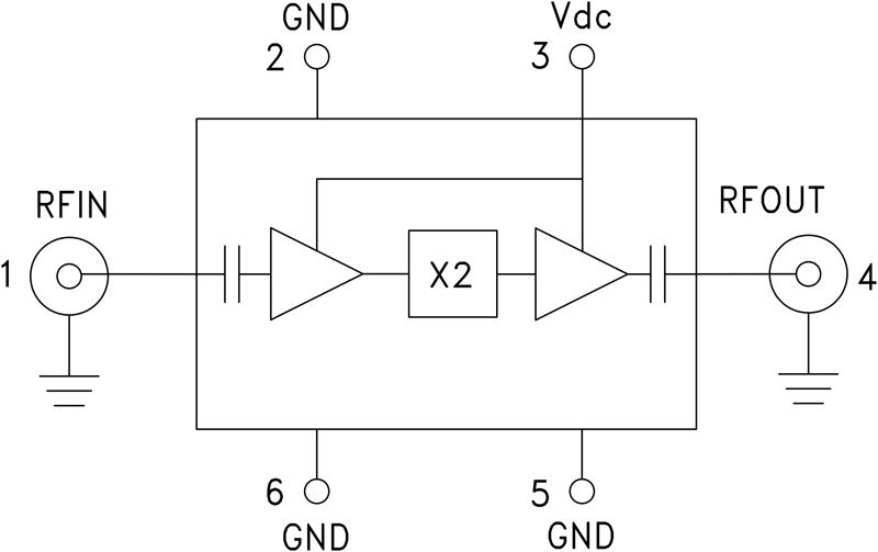
Part details & applications

The HMC-C034 is a x2 active broadband frequency multiplier utilizing GaAs PHEMT technology in a miniature hermetic module. When driven by a 3 dBm signal, the multiplier provides +13 dBm typical output power from 32 to 46 GHz. The Fo isolation is >30 dBc with respect to output signal level. This frequency multiplier features DC blocked I/O’s, and is ideal for use in LO multiplier chains for Pt to Pt & VSAT Radios yielding reduced parts count vs. traditional approaches. The low additive SSB Phase Noise of -130 dBc/Hz at 100 kHz offset helps maintain good system noise performance.

APPLICATIONS

  • Clock Generation Applications:
    SOWET OC-192 & SDH STM-64 
  • Point-to-Point & VSAT Radios 
  • Test Instrumentation 
  • Military EW/Radar 
  • Space

Subscribe to Welllinkchips !
Your Name
* Email
Submit a request