0
HMC493
  • HMC493

HMC493

RECOMMENDED FOR NEW DESIGNS

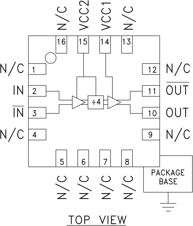
InGaP HBT Divide-by-4 SMT, DC - 18 GHz

Analog Devices HMC493 Product Info

10 February 2026 9

Features

  • Ultra Low SSB Phase Noise: -150 dBc/Hz
  • Very Wide Bandwidth
  • Output Power: -4 dBm
  • Single DC Supply: +5V
  • 3x3 mm QFN SMT Package

Part details & applications

The HMC493LP3(E) is a low noise Divide-by-4 Static Divider utilizing InGaP GaAs HBT technology packaged in leadless 3x3 mm QFN surface mount plastic package. This device operates from DC (with a square wave input) to 18 GHz input frequency from a single +5.0V DC supply. The low additive SSB phase noise of -150 dBc/Hz at 100 kHz offset helps the user maintain excellent system noise performance.

APPLICATIONS

  • Point-to-Point / Multi-Point Radios
  • VSAT Radios
  • Fiber Optic
  • Test Equipment
  • Military

Subscribe to Welllinkchips !
Your Name
* Email
Submit a request