0
MAX8550
  • MAX8550

MAX8550

PRODUCTION

Integrated DDR Power-Supply Solutions for Desktops, Notebooks, and Graphic Cards

Analog Devices MAX8550 Product Info

10 February 2026 6

Features

  • Buck Controller
    • Quick-PWM with 100ns Load-Step Response
    • Up to 95% Efficiency
    • 2V to 28V Input Voltage Range
    • 1.8V/2.5V Fixed or 0.7V to 5.5V Adjustable Output
    • Up to 600kHz Selectable Switching Frequency
    • Programmable Current Limit with Foldback Capability
    • 1.7ms Digital Soft-Start and Independent Shutdown
    • Overvoltage/Undervoltage-Protection Option
    • Power-Good Window Comparator
  • LDO Section
    • Fully Integrated VTT and VTTR Capability
    • VTT has ±3A Sourcing/Sinking Capability
    • VTT and VTTR Outputs Track VREFIN/2
    • All-Ceramic Output-Capacitor Designs
    • 1.0V to 2.8V Input Voltage Range
    • Power-Good Window Comparator

Part details & applications

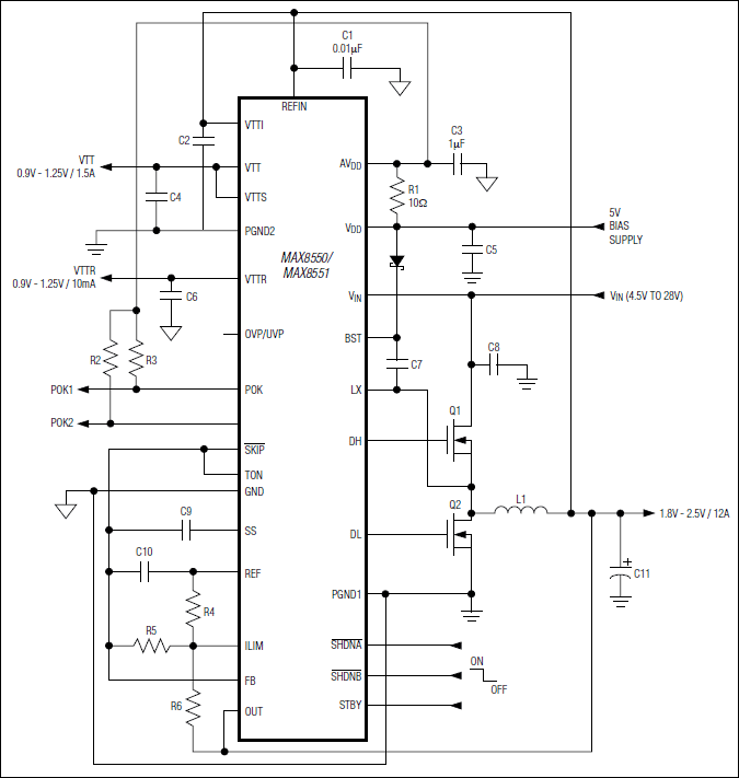
The MAX8550/MAX8551 integrate a synchronous-buck PWM controller to generate VDDQ, a sourcing and sinking LDO linear regulator to generate VTT, and a 10mA reference output buffer to generate VTTR. The buck controller drives two external N-channel MOSFETs to generate output voltages down to 0.7V from a 2V to 28V input with output currents up to 15A. The LDO can sink or source up to 1.5A continuous and 3A peak current. Both the LDO output and the 10mA reference buffer output can be made to track the REFIN voltage. These features make the MAX8550/MAX8551 ideally suited for DDR memory applications in desktops, notebooks, and graphic cards.

The PWM controller in the MAX8550/MAX8551 utilizes Maxim's proprietary Quick-PWM architecture with programmable switching frequencies of up to 600kHz. This control scheme handles wide input/output voltage ratios with ease and provides 100ns response to load transients while maintaining high efficiency and a relatively constant switching frequency. The MAX8550 offers fully programmable UVP/OVP and skip-mode options ideal in portable applications. Skip mode allows for improved efficiency at lighter loads. The MAX8551, which is targeted towards desktop and graphic-card applications, does not offer the pulse-skip feature.

The VTT and VTTR outputs track to within 1% of VREFIN/2. The high bandwidth of this LDO regulator allows excellent transient response without the need for bulk capacitors, thus reducing cost and size.

The buck controller and LDO regulators are provided with independent current limits. Adjustable lossless foldback current limit for the buck regulator is achieved by monitoring the drain-to-source voltage drop of the low-side MOSFET. Additionally, overvoltage and undervoltage protection mechanisms are built in. Once the overcurrent condition is removed, the regulator is

Subscribe to Welllinkchips !
Your Name
* Email
Submit a request