0
HMC630
  • HMC630

HMC630

RECOMMENDED FOR NEW DESIGNS

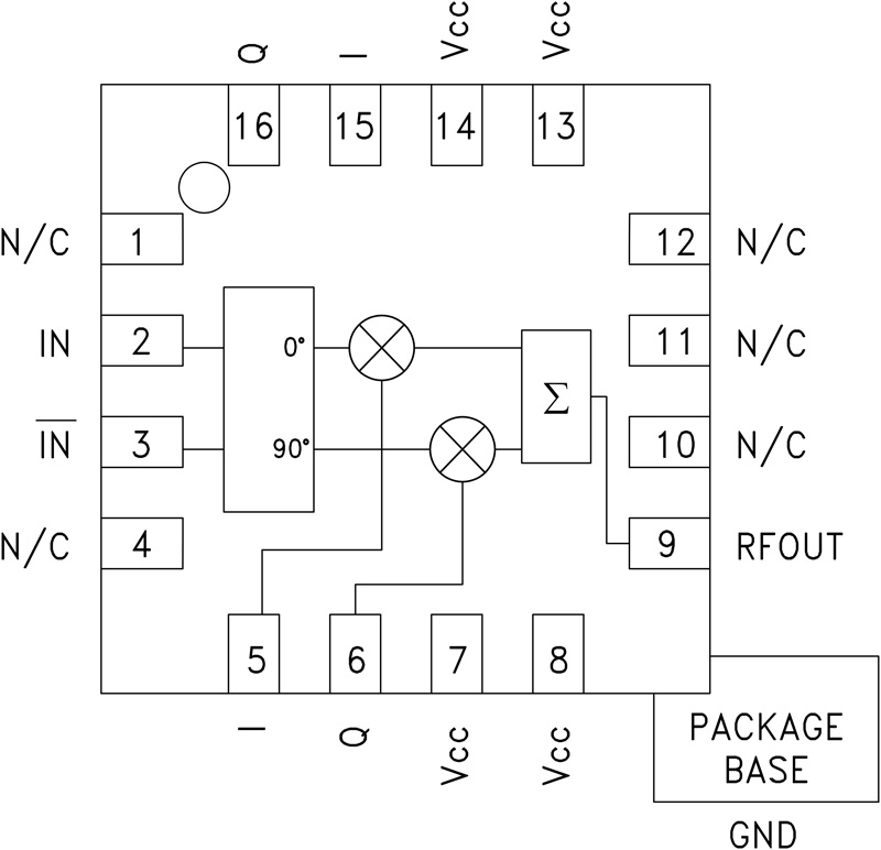
HBT Vector Modulator SMT, 700 - 1000 MHz

Analog Devices HMC630 Product Info

10 February 2026 7

Features

  • Continuous Phase Control: 360°
  • Continuous Gain Control: 40 dB
  • Low Output Noise Floor: -162 dBm/Hz
  • High Input IP3: +34 dBm
  • 16 Lead 3×3mm SMT Package: 9mm2

Part details & applications

The HMC630LP3 & HMC630LP3E are high dynamic range Vector Modulator RFICs which are targeted for RF predistortion and feed-forward cancellation circuits, as well as RF beam forming and amplitude/ phase correction circuits. The I & Q ports of the HMC630LP3(E) can be used to continuously vary the phase and amplitude of RF signals by up to 360 degrees and 40 dB respectively, while supporting a 3 dB modulation bandwidth of 180 MHz. With an output IP3 of +24.5 dBm and output noise floor of -162 dBm/Hz (at maximum gain setting), the output IP3/ noise floor ratio is 186.5 dB.

APPLICATIONS

  • Wireless Infrastructure HPA & MCPA Error Correction
  • Pre-Distortion or Feed-Forward Linearization
  • Cellular/3G Systems
  • Beam Forming or RF Cancellation Circuits

Subscribe to Welllinkchips !
Your Name
* Email
Submit a request