0
MAX77812
  • MAX77812

MAX77812

PRODUCTION

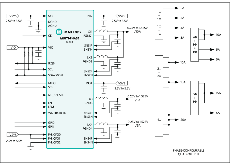
20A User-Configurable Quad-Phase Buck Converter High-Efficiency 20A BUCK with User-Selectable Phase Configuration

Analog Devices MAX77812 Product Info

10 February 2026 7

Features

  • 20A Maximum Output Current (5A per Phase)
  • VIN Range: 2.5V to 5.5V
  • VOUT Range: 0.250V to 1.525V with 5mV Steps
  • ±0.5% Initial Output Accuracy with Differential Sensing
  • 5 User-Selectable Phase Configurations
  • 91% Peak Efficiency (VIN = 3.8V, VOUT = 1.1V)
  • Auto (SKIP/PWM) and Forced PWM Modes
  • Enhanced Load Transient Response
  • Programmable Ramp-Up/Down Slew Rates
  • Programmable Startup/Shutdown Sequence
  • UVLO, Short-Circuit, and Thermal Protections
  • 2 User-Programmable General-Purpose Inputs
  • 3.4MHz High Speed I2C and 30MHz SPI Interface
  • 3.408mm x 3.368mm, 64-Bump WLP Package

Part details & applications

The MAX77812 is a quad-phase high-efficiency stepdown (buck) converter capable of delivering up to 20A of maximum current. Programmable startup/shutdown sequence and user-selectable phase configurations make the MAX77812 ideal for powering the latest generations of processors. With high-efficiency and small solution size, the MAX77812 is optimized for space constrained single-cell battery powered applications.

The MAX77812 uses an adaptive on-time PWM control scheme and it has SKIP and low-power SKIP modes for improved light-load efficiency. A programmable current limit reduces the overall solution footprint by optimizing inductors size. Differential sensing provides high output voltage accuracy, while enhanced transient response (ETR) allows fast output voltage adjustments to load transients. Programmable soft-start/stop and ramp-up/down slew rate provides control over an inrush current as the regulator transitions between operating states.

A 3.4MHz high-speed I2C or 30MHz SPI interface with dedicated logic inputs provide full configurability and control for system power optimization.

The MAX77812 is available in 3.408mm x 3.368mm, 64-bump 0.4mm pitch wafer-level package (WLP).

Design Solution: How to Power Your QSFP-DD Optical Transceiver ›