0
MAX5548
  • MAX5548

MAX5548

PRODUCTION

Dual, 8-Bit, Programmable, 30mA High-Output-Current DAC

Analog Devices MAX5548 Product Info

10 February 2026 8

Features

  • Pin-Selectable I²C- or SPI-Compatible Interface
  • Guaranteed Low Output Leakage Current in Shutdown (±1µA max)
  • Guaranteed Monotonic Over Extended Temperature Range
  • Dual Outputs for Balanced Systems
  • Current Outputs Source Up to 30mA Per DAC
  • Parallelable Outputs for 60mA Applications
  • Output Stable with RF Filters
  • Internal or External Reference Capability
  • Digital Output (DOUT) Available for Daisy Chaining in SPI Mode
  • +2.7V to +5.25V Single-Supply Operation
  • 16-Pin (3mm × 3mm) Thin QFN Package
  • Programmable Output Current Range Set by Software and Adjustment Resistor

Part details & applications

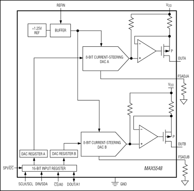
The MAX5548 dual, 8-bit, digital-to-analog converter (DAC) features high-output-current capability. The MAX5548 sources up to 30mA per DAC making it ideal for PIN diode biasing applications. Outputs can also be paralleled for high-current applications (up to 60mA typ). Operating from a single +2.7V to +5.25V supply, the MAX5548 typically consumes 1.5mA per DAC in normal operation and less than 1µA (max) in shutdown mode. The MAX5548 also features low output leakage current in shutdown mode (±1µA max) that is essential to ensure that the external PIN diodes are off.

Additional features include an integrated +1.25V bandgap reference, and a control amplifier to ensure high accuracy and low-noise performance. A separate reference input (REFIN) allows for the use of an external reference source, such as the MAX6126, for improved gain accuracy. A pin-selectable I²C-/SPI™-compatible serial interface provides optimum flexibility for the MAX5548. The programmable output current's maximum value is set using software and an adjustment resistor. The MAX5548 is available in a 3mm × 3mm, 16-pin, thin QFN package, and is specified over the extended (-40°C to +85°C) temperature range.

Applications

  • PIN Diode Biasing
  • RF Attenuator Control
  • VCO Tuning

Subscribe to Welllinkchips !
Your Name
* Email
Submit a request