0
ADG801
  • ADG801
  • ADG801

ADG801

PRODUCTION

<0.4 Ω CMOS 1.8 V to 5.5 V SPST Switch

Analog Devices ADG801 Product Info

10 February 2026 6

Features

  • 0.4 Ω maximum on resistance at 125°C
  • 0.08 Ω maximum on resistance flatness at 125°C
  • 1.8 V to 5.5 V single supply
  • Automotive temperature range from -40°C to +125°C
  • 400 mA current-carrying capability
  • Tiny 6-lead SOT-23 and 8-lead MSOP packages
  • 35 ns switching times
  • Low power consumption
  • TTL-/CMOS-compatible inputs
  • Pin compatible with ADG701/ADG702

Part details & applications

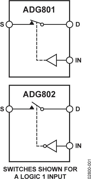
The ADG801 and ADG802 are monolithic CMOS, single-pole, single throw (SPST) switches with on resistance of less than 0.4 Ω. These switches are designed using an advanced submicron process that provides extremely low on resistance, high switching speed, and low leakage currents.

The low on resistance of <0.4 Ω makes these parts ideal for applications where low on resistance switching is critical.

The ADG801 switch is normally open (NO), while the ADG802 is normally closed (NC). Each switch conducts equally well in both directions when on.

PRODUCT HIGHLIGHTS

  • Low on resistance (0.25 Ω typical)
  • 1.8 V to 5.5 V single-supply operation.
  • Tiny 6-lead SOT-23 and 8-lead MSOP packages.
  • 400 mA current-carrying capability.
  • Automotive temperature range from -40°C to +125°C.
  • Pin compatible with ADG701 (ADG801) and ADG702 (ADG802).

APPLICATIONS

  • Power routing
  • Cellular phones
  • Modems
  • PCMCIA cards
  • Hard drives
  • Data acquisition systems
  • Communications systems
  • Relay replacement
  • Battery-powered systems

Subscribe to Welllinkchips !
Your Name
* Email
Submit a request