0
MAX7369
  • MAX7369

MAX7369

PRODUCTION

4-Channel I²C Switches/Multiplexer

Analog Devices MAX7369 Product Info

10 February 2026 7

Features

  • Four-Channel, Bidirectional Bus Expansion
  • Voltage-Level Translation
  • Low 6µA (typ) Supply Current, 0.1µA (typ) Standby Current
  • Low 16Ω (typ) On-Resistance
  • Channel Selection Through I²C
  • I²C-Compatible Normal or Fast Mode
  • Device Address Selection
    • Up to Four Addresses (MAX7367)
    • Up to Eight Addresses (MAX7368/MAX7369)
  • Bus-Loading Isolation
  • Support Clock Stretch, Synchronization, and Arbitration
  • Hot Insertion
  • 2.3V to 5.5V Supply Voltage Range
  • 5V-Tolerant Inputs
  • Interrupt from Extended Buses (MAX7367/MAX7369)
  • Hardware Reset (MAX7367/MAX7368)

Part details & applications

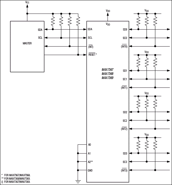
The MAX7367/MAX7368/MAX7369 bidirectional, four-channel I²C switches/multiplexer expand the main I²C bus up to four extended buses. The MAX7369 1:4 multiplexer connects the main I²C bus to one channel at a time. The MAX7367/MAX7368 four-channel switches connect the main I²C bus to one or more channels at a time.

These devices isolate bus loading by extending the I²C bus onto different channels. The MAX7367/MAX7368/MAX7369 allow more devices to be interconnected to a master controller and multiple devices with the same I²C address to communicate to a master. The channels are selected through the main I²C bus by writing to the internal control register of the device.

Any device connected to an I²C bus can transmit and receive signals. The MAX7367/MAX7368/MAX7369 are transparent to signals sent and received at each channel, allowing multiple masters. These devices are compatible with the I²C protocol of clock stretch, synchronization, and arbitration in case multiple masters address the bus at the same time.

All devices are set to the default state during initial power-up. The MAX7367/MAX7368 have an active-low RESET input allowing external circuitry to set the MAX7367/MAX7368 to its default state anytime after the device has powered up. The MAX7367/MAX7369 have interrupt inputs, allowing devices on the extended bus to send an interrupt signal to the master on the main bus.

The MAX7367/MAX7369 are available in 20-pin TSSOP packages, and the MAX7368 is available in a 16-pin TSSOP package. All devices operate over the -40°C to +85°C extended temperature range.

Applications

  • Base Stations
  • Cellular Phones
  • Multimedia Electronics
  • PCs
  • RAID
  • SAN/NAS
  • Servers

Subscribe to Welllinkchips !
Your Name
* Email
Submit a request