0
LTC2308
  • LTC2308
  • LTC2308
  • LTC2308

LTC2308

PRODUCTION

Low Noise, 500ksps, 8-Channel, 12-Bit ADC

Analog Devices LTC2308 Product Info

10 February 2026 7

Features

  • 12-Bit Resolution
  • 500ksps Sampling Rate
  • Low Noise: SINAD = 73.3dB
  • Guaranteed No Missing Codes
  • Single 5V Supply
  • Auto-Shutdown Scales Supply Current with Sample Rate
  • Low Power:
    • 17.5mW at 500ksps
    • 0.9mW Nap Mode
    • 35µW Sleep Mode
  • Internal Reference
  • Internal 8-Channel Multiplexer
  • Internal Conversion Clock
  • SPI/MICROWIRE Compatible Serial Interface
  • Unipolar or Bipolar Input Ranges (Software Selectable)
  • Separate Output Supply OVDD (2.7V to 5.25V)
  • 24-Pin 4mm × 4mm QFN Package

Part details & applications

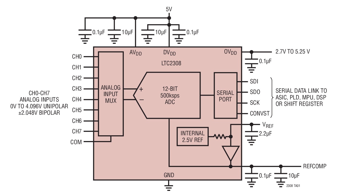
The LTC2308 is a low noise, 500ksps, 8-channel, 12-bit ADC with an SPI/MICROWIRE compatible serial interface. This ADC includes an internal reference and a fully differential sample-and-hold circuit to reduce common-mode noise. The internal conversion clock allows the external serial output data clock (SCK) to operate at any frequency up to 40MHz.

The LTC2308 operates from a single 5V supply and draws just 3.5mA at a sample rate of 500ksps. The auto-shutdown feature reduces the supply current to 200µA at a sample rate of 1ksps.

The LTC2308 is packaged in a small 24-pin 4mm × 4mm QFN. The internal 2.5V reference and 8-channel multiplexer further reduce PCB board space requirements.

The low power consumption and small size make the LTC2308 ideal for battery operated and portable applications, while the 4-wire SPI compatible serial interface makes this ADC a good match for isolated or remote data acquisition systems.

Applications

  • High Speed Data Acquisition
  • Industrial Process Control
  • Motor Control
  • Accelerometer Measurements
  • Battery Operated Instruments
  • Isolated and/or Remote Data Acquisition

Subscribe to Welllinkchips !
Your Name
* Email
Submit a request