0
MAX4228
  • MAX4228

MAX4228

LAST TIME BUY

1GHz, Low-Power, SOT23, Current Feedback Amplifiers with Shutdown

Analog Devices MAX4228 Product Info

10 February 2026 8

Features

  • Ultra-High Speed and Fast Settling Time:
    • 1GHz -3dB Bandwidth (MAX4223, Gain = +1)
    • 600MHz -3dB Bandwidth (MAX4224, Gain = +2)
    • 1700V/µs Slew Rate (MAX4224)
    • 5ns Settling Time to 0.1% (MAX4224)
  • Excellent Video Specifications (MAX4223):
    • Gain Flatness of 0.1dB to 300MHz
    • 0.01%/0.02° DG/DP Errors
  • Low Distortion:
    • -60dBc THD (fc = 10MHz)
    • 42dBm Third-Order Intercept (f = 30MHz)
  • 6.0mA Quiescent Supply Current (per amplifier)
  • Shutdown Mode:
    • 350µA Supply Current (per amplifier)
    • 100kΩ Output Impedance
  • High Output Drive Capability:
    • 80mA Output Current
    • Drives up to 4 Back-Terminated 75Ω Loads to ±2.5V while Maintaining Excellent Differential Gain/Phase Characteristics
  • Available in Tiny 6-Pin SOT23 and 10-Pin µMAX® Packages

Part details & applications

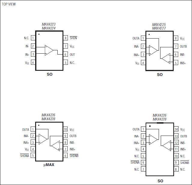
The MAX4223-MAX4228 current-feedback amplifiers combine ultra-high-speed performance, low distortion, and excellent video specifications with low-power operation. The MAX4223/MAX4224/MAX4226/MAX4228 have a shutdown feature that reduces power-supply current to 350µA and places the outputs into a high-impedance state. These devices operate with dual supplies ranging from ±2.85V to ±5.5V and provide a typical output drive current of 80mA. The MAX4223/MAX4225/MAX4226 are optimized for a closed-loop gain of +1 (0dB) or more and have a -3dB bandwidth of 1GHz, while the MAX4224/MAX4227/MAX4228 are compensated for a closed-loop gain of +2 (6dB) or more, and have a -3dB bandwidth of 600MHz (1.2GHz gain-bandwidth product).

The MAX4223-MAX4228 are ideal for professional video applications, with differential gain and phase errors of 0.01% and 0.02°, 0.1dB gain flatness of 300MHz, and a 1100V/µs slew rate. Total harmonic distortion (THD) of -60dBc (10MHz) and an 8ns settling time to 0.1% suit these devices for driving high-speed analog-to-digital inputs or for data-communications applications. The low-power shutdown mode on the MAX4223/MAX4224/MAX4226/MAX4228 makes them suitable for portable and battery-powered applications. Their high output impedance in shutdown mode is excellent for multiplexing applications.

The single MAX4223/MAX4224 are available in space-saving 6-pin SOT23 packages. All devices are available in the extended -40°C to +85°C temperature range.

Applications

  • ADC Input Buffers
  • Data Communications
  • RF Receivers
  • Video Line Driver
  • Video Multiplexing

Subscribe to Welllinkchips !
Your Name
* Email
Submit a request