0
LTC2188
  • LTC2188
  • LTC2188
  • LTC2188
  • LTC2188
  • LTC2188

LTC2188

PRODUCTION

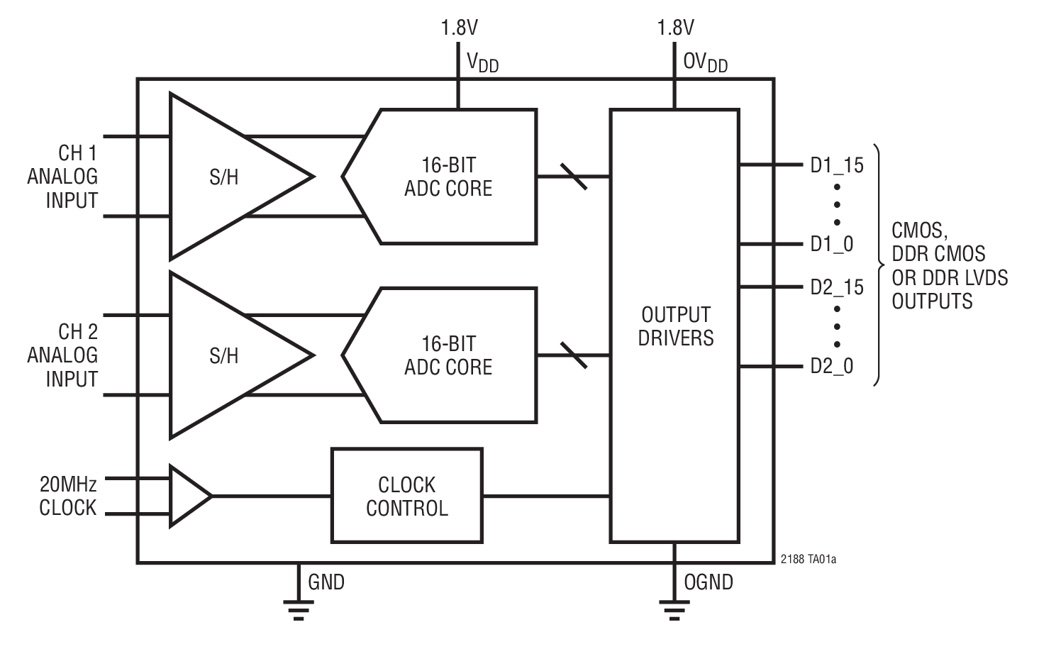
16-Bit, 20Msps Low Power Dual ADC

Analog Devices LTC2188 Product Info

10 February 2026 10

Features

  • Two-Channel Simultaneously Sampling ADC
  • 77dB SNR
  • 90dB SFDR
  • Low Power: 76mW Total, 38mW per Channel
  • Single 1.8V Supply
  • CMOS, DDR CMOS, or DDR LVDS Outputs
  • Selectable Input Ranges: 1VP-P to 2VP-P
  • 550MHz Full Power Bandwidth S/H
  • Optional Data Output Randomizer
  • Optional Clock Duty Cycle Stabilizer
  • Shutdown and Nap Modes
  • Serial SPI Port for Configuration
  • 64-Lead (9mm × 9mm) QFN Package

Part details & applications

The LTC2188 is a two-channel simultaneous sampling 16‑bit A/D converter designed for digitizing high frequency, wide dynamic range signals. It is perfect for demanding communications applications with AC performance that includes 77dB SNR and 90dB spurious free dynamic range (SFDR). Ultralow jitter of 0.07psRMS allows undersampling of IF frequencies with excellent noise performance.

DC specs include ±2LSB INL (typ), ±0.5LSB DNL (typ) and no missing codes over temperature. The transition noise is 3.2LSBRMS.

The digital outputs can be either full rate CMOS, Double Data Rate CMOS, or Double Data Rate LVDS. A separate output power supply allows the CMOS output swing to range from 1.2V to 1.8V.

The ENC+ and ENC inputs may be driven differentially or single-ended with a sine wave, PECL, LVDS, TTL, or CMOS inputs. An optional clock duty cycle stabilizer allows high performance at full speed for a wide range of clock duty cycles.

Applications

  • Communications
  • Cellular Base Stations
  • Software Defined Radios
  • Portable Medical Imaging
  • Multi-Channel Data Acquisition
  • Nondestructive Testing

Subscribe to Welllinkchips !
Your Name
* Email
Submit a request