0
MAX2029
  • MAX2029

MAX2029

PRODUCTION

High-Linearity, 815MHz to 1000MHz Upconversion/Downconversion Mixer with LO Buffer/Switch Industry's Highest Performing, Fully Integrated SiGe Passive Mixer, Featuring Superior IP3, 2RF - 2LO and LO ±2IF Performance

Analog Devices MAX2029 Product Info

10 February 2026 6

Features

  • 815MHz to 1000MHz RF Frequency Range
  • 570MHz to 900MHz LO Frequency Range
  • 960MHz to 1180MHz LO Frequency Range (Refer to the MAX2031 Data Sheet)
  • DC to 250MHz IF Frequency Range
  • 6dB/6.5dB (Upconverter/Downconverter) Conversion Loss
  • 36.5dBm/39dBm (Downconverter/Upconverter) Input IP3
  • +25dBm/+27dBm (Upconverter/Downconverter) Input 1dB Compression Point
  • 6.7dB Noise Figure
  • Integrated LO Buffer
  • Integrated RF and LO Baluns
  • Low -3dBm to +3dBm LO Drive
  • Built-In SPDT LO Switch with 53dB Isolation and 50ns Switching Time
  • Pin Compatible with the MAX2039/MAX2041 1700MHz to 2200MHz Mixers
  • External Current-Setting Resistor Provides Option for Operating Mixer in Reduced-Power/Reduced-Performance Mode
  • Lead-Free Package Available

Part details & applications

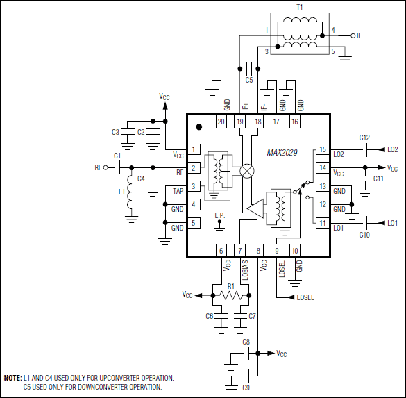
The MAX2029 high-linearity passive upconverter or downconverter mixer is designed to provide +36.5dBm IIP3, 6.7dB NF, and 6.5dB conversion loss for an 815MHz to 1000MHz RF frequency range to support GSM/cellular base-station transmitter or receiver applications. With a 570MHz to 900MHz LO frequency range, this particular mixer is ideal for low-side LO injection architectures. For a pin-to-pin-compatible mixer meant for high-side LO injection, refer to the MAX2031 data sheet.

In addition to offering excellent linearity and noise performance, the MAX2029 also yields a high level of component integration. This device includes a double-balanced passive mixer core, a dual-input LO selectable switch, and an LO buffer. On-chip baluns are also integrated to allow for a single-ended RF input for downconversion (or RF output for upconversion), and single-ended LO inputs. The MAX2029 requires a nominal LO drive of 0dBm, and supply current is guaranteed to be below 100mA.

The MAX2029 is pin compatible with the MAX2039, MAX2041, MAX2042, MAX2044 series of 1700MHz to 2200MHz, 2000MHz to 3000MHz, and 3200MHz to 3900MHz mixers, making this family of passive upconverters and downconverters ideal for applications where a common printed-circuit board (PCB) layout is used for multiple frequency bands.

The MAX2029 is available in a compact 20-pin thin QFN package (5mm x 5mm) with an exposed paddle. Electrical performance is guaranteed over the extended -40°C to +85°C temperature range.

Applications

  • Cellular Band WCDMA and cdma2000® Base Stations
  • Digital and Spread-Spectrum Communication Systems
  • GSM 850/GSM 900 2G and 2.5G EDGE Base Stations
  • Microwave and Fixed Broadband Wireless Access
  • Microwave Links
  • Military Systems
  • PHS/PAS Base Stations
  • Predistortion Receivers
  • Private Mobil

Subscribe to Welllinkchips !
Your Name
* Email
Submit a request