0
MAX20029D
  • MAX20029D

MAX20029D

PRODUCTION

Automotive Quad/Triple Low-Voltage Step-Down DC-DC Converters Four Integrated Power Rails and High Operating Frequency Minimize Solution Size for Multirail Point-of-Load Regulation

Analog Devices MAX20029D Product Info

10 February 2026 11

Features

  • Quad Step-Down DC-DC Converters with Integrated FETs
  • Operate from 3.0V to 5.5V Supply Voltage
  • 0.7V to 4.0V Fixed or Adjustable Output Voltage
  • 2.2MHz Switching Frequency
  • MAX20029/MAX20029C: Up to Four 1.5A Channels
  • MAX20029B/MAX20029D: Up to One 3A + Two 1.5A Channels
  • Designed to Improve Automotive EMI Performance
    • Forced-PWM Operation
    • Two Channels 180° Out-of-Phase
    • SYNC Input
    • Spread-Spectrum Option
  • Soft-Start and Supply Sequencing Reduces Inrush Current
  • Individual Enable Inputs and Power-Good Outputs to Simplify Sequencing
  • OV Input-Voltage Monitoring
  • Overtemperature and Short-Circuit Protection
  • 28-Pin (5mm × 5mm x 0.8mm) TQFN-EP Package
  • −40°C to +125°C Operating Temperature Range

Part details & applications

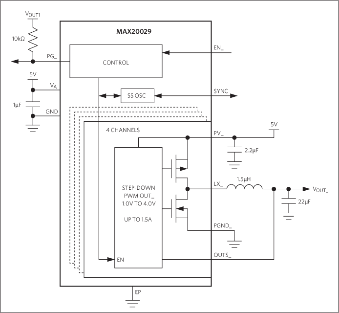
The MAX20029/MAX20029B/MAX20029C/MAX20029D power-management ICs (PMICs) integrate four low-voltage, high-efficiency, step-down DC-DC converters. Each of the four outputs is factory or resistor programmable between 1V to 4.0V (MAX20029/MAX20029B) or 0.7V to 3.8V (MAX20029C/MAX20029D). The MAX20029/ MAX20029C has two 0.5A/1A/1.5A channels and two 0.5A/1.5A channels, while the MAX20029B/MAX20029D has two 0.5A/1.5A channels and by combining channels 1 and 2, a single 2A/3A channel. The PMICs operate from 3.0V to 5.5V, making them ideal for automotive point-of-load and post-regulation applications.

The PMICs feature fixed-frequency PWM-mode operation with a switching frequency of 2.2MHz. High-frequency operation allows for an all-ceramic capacitor design and small-size external components. The low-resistance on-chip switches ensure high efficiency at heavy loads while minimizing critical inductances, making the layout a much simpler task with respect to discrete solutions. Internal current sensing and loop compensation reduce board space and system cost.

The PMICs offer a spread-spectrum option to reduce radiated emissions. Two of the four buck converters operate 180° out-of-phase with the internal clock. This feature reduces the necessary input capacitance and improves EMI as well. All four buck converters operate in constant PWM mode outside the AM band. The PMICs offer a SYNC input to synchronize to an external clock.

The PMICs provide individual enable inputs and power-good/reset outputs, as well as factory-programmable PG times.

The PMICs offer several important protection features including: input overvoltage protection, input undervoltage lockout, cycle-by-cycle current limiting, and overtemperature shutdown.

The MAX20029/MAX20029B/MAX20029C//MAX20029D PMICs are available in a 28-pin TQFN package with an exposed pad and are specified for operation over the −40°C to +125°C autom

Subscribe to Welllinkchips !
Your Name
* Email
Submit a request