0
HMC732
  • HMC732

HMC732

RECOMMENDED FOR NEW DESIGNS

Wideband VCO SMT w/Buffer Amplifier SMT, 6 - 12 GHz

Analog Devices HMC732 Product Info

10 February 2026 9

Features

  • Wide Tuning Bandwidth
  • Pout: +1 dBm
  • Low SSB Phase Noise: -95 dBc/Hz @100 kHz
  • No External Resonator Needed
  • Single Positive Supply: +5V @ 57 mA
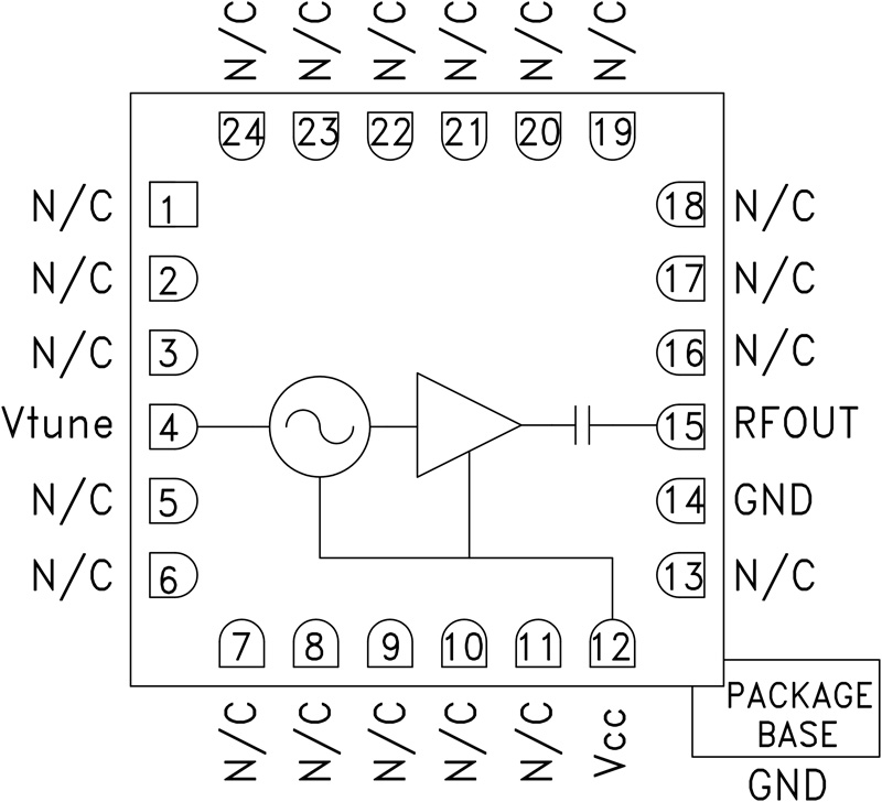
  • 24 Lead 4x4mm SMT Package: 16mm2

Part details & applications

The HMC732LC4B is a wideband GaAs InGaP HBT MMIC Voltage Controlled Oscillator which incorporates the resonator, negative resistance device, and varactor diode. Output power and phase noise performance are excellent over temperature due to the oscillator's monolithic construction. The Vtune port accepts an analog tuning voltage from 0 to +23V. The HMC732LC4B VCO operates from a single +5V supply, consumes only 57 mA of current, and is housed in a RoHS compliant SMT package. This wideband VCO uniquely combines the attributes of ultra small size, low phase noise, low power consumption, and wide tuning range.

APPLICATIONS

  • Industrial/Medical Equipment
  • Test & Measurement Equipment
  • Military Radar, EW & ECM

Subscribe to Welllinkchips !
Your Name
* Email
Submit a request