0
HMC531
  • HMC531

HMC531

RECOMMENDED FOR NEW DESIGNS

VCO SMT with Fo/2 & Divide-by-4, 13.6 - 14.9 GHz

Analog Devices HMC531 Product Info

10 February 2026 11

Features

  • Dual Output: Fo = 13.6 - 14.9 GHz
    Fo/2 = 6.8 - 7.45 GHz
  • Phase Noise: -110 dBc/Hz @ 100 kHz Typ.
  • Pout: +7 dBm
  • No External Resonator Needed
  • QFN Leadless SMT Package, 25 mm2

Part details & applications

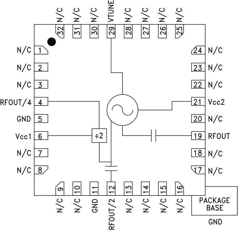
The HMC531LP5(E) is a GaAs InGaP Heterojunction Bipolar Transistor (HBT) MMIC VCO. The HMC531LP5(E) integrates resonators, negative resistance devices, varactor diodes and feature half frequency and divide-by-4 outputs. The VCO’s phase noise performance is excellent over temperature, shock, and process due to the oscillator’s monolithic structure. Power output is +7 dBm typical from a +5V supply voltage. The prescaler function can be disabled to conserve current if not required. The voltage controlled oscillator is packaged in a leadless QFN 5×5 mm surface mount package, and requires no external matching components. 

APPLICATIONS

  • VSAT Radio
  • Point-to-Point/Multi-point Radio
  • Test Equipment & Industrial Controls
  • Military End-Use

Subscribe to Welllinkchips !
Your Name
* Email
Submit a request