0
MAX1758
  • MAX1758

MAX1758

PRODUCTION

Stand-Alone, Switch-Mode Li+ Battery Charger with Internal 28V Switch

Analog Devices MAX1758 Product Info

10 February 2026 10

Features

  • Stand-Alone Charger for Up to 4 Li+ Batteries
  • ±0.8% Battery Regulation Voltage Accuracy
  • Low-Dropout 98% Duty Cycle
  • Safely Precharges Near-Dead Cells
  • Continuous Voltage and Temperature Monitoring
  • 0.1µA Shutdown Battery Current
  • Input Voltage Up to 28V
  • Up to 1.5A Programmable Charge Current
  • Safety Timer Prevents Overcharging
  • Input Current Limiting
  • Space-Saving 28-Pin SSOP
  • 300kHz PWM Oscillator Reduces Noise

Part details & applications

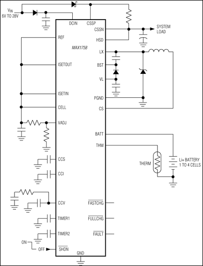
The MAX1758 is a switch-mode lithium-ion (Li+) battery charger that charges one-to-four cells. It provides a regulated charging current accurate to ±10% and a regulated voltage with only a ±0.8% total voltage error at the battery terminals. The internal high-side switch delivers a programmable current of up to 1.5A to charge the battery. The built-in safety timer automatically terminates charging once the adjustable time limit has been reached.

The MAX1758 regulates the voltage set point and charging current using two loops that work together to transition smoothly between voltage and current regulation. An additional control loop monitors the total current drawn from the input source (charging + system), and automatically reduces battery-charging current, preventing overload of the input supply and allowing the use of a low-cost wall adapter.

The per-cell battery regulation voltage is set between 4.0V and 4.4V using standard 1% resistors. The number of cells is set from 1-to-4 by pin strapping. Battery temperature is monitored by an external thermistor to prevent charging outside the acceptable temperature range.

The MAX1758 is available in a space-saving 28-pin SSOP package. Use the MAX1758EVKIT to help reduce design time. For a stand-alone charger with a 14V switch, refer to the MAX1757 data sheet. For a charger controller capable of up to 4A charging current, refer to the MAX1737 data sheet.

Applications

  • Desktop Cradle Chargers
  • Handheld Instruments (PDAs, Palmtops)
  • Li+ Battery Packs
  • Notebook Computers

Subscribe to Welllinkchips !
Your Name
* Email
Submit a request