0
MAX8874
  • MAX8874

MAX8874

PRODUCTION

Low-Dropout 120mA Linear Regulators

Analog Devices MAX8874 Product Info

10 February 2026 9

Features

  • LP2980 Pin-Compatible SOT23 Package
  • Low, 55mV Dropout Voltage at 50mA IOUT (130mV at 120mA)
  • Low, 73µA No-Load Supply Current
  • Low, 82µA Operating Supply Current (even in dropout)
  • Miniature External Components
  • Thermal Overload Protection
  • Output Current Limit
  • Reverse Battery Protection
  • Dual Mode Operation: Fixed or Adjustable (1.25V to 6.5V) Output
  • Low-Power Shutdown

Part details & applications

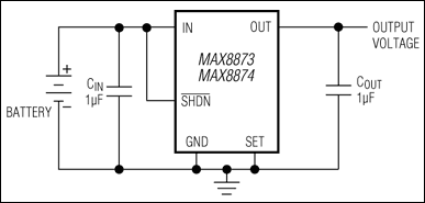
The MAX8873T/S/R and MAX8874T/S/R low-dropout linear regulators operate from a +2.5V to +6.5V input range and deliver up to 120mA. A PMOS pass transistor allows the low, 82µA supply current to remain independent of load, making these devices ideal for battery-operated portable equipment such as cellular phones and cordless phones.
The devices feature Dual Mode operation: their output voltage is preset (at 3.15V for the T versions, 2.84V for the S versions, or 2.80V for the R versions) or can be adjusted with an external resistor divider. Total error on the output is ±3.5%. Output voltages are set on the low side of popular ranges so that power drain is minimized for longer battery life. Other features include low-power shutdown, short-circuit protection, thermal shutdown protection, and reverse battery protection. The MAX8874 also includes an auto-discharge function, which actively discharges the output voltage to ground when the device is placed in shutdown mode. Both devices come in a miniature 5-pin SOT23 package.
For dual versions, refer to the MAX8865/MAX8866 data sheet. For low-noise versions with 30µVRMS output noise, refer to the MAX8877/MAX8878.

Applications

  • Audio Systems
  • Cordless Phones
  • Electronic Planners
  • Handheld Instruments (PDAs, Palmtops)
  • Modems
  • Palmtop Computers
  • PCMCIA Cards
  • PCS Telephones

Subscribe to Welllinkchips !
Your Name
* Email
Submit a request