0
MAX17515
  • MAX17515

MAX17515

LAST TIME BUY

5A, 2.4V to 5.5V Input, High-Efficiency Power Module Highly Integrated DC-DC Power Module Enables Ease of Design and Small-Solution Foot Print

Analog Devices MAX17515 Product Info

10 February 2026 8

Features

  • Complete Switch-Mode Power Supply in One Package
  • 2.4V to 5.5V Input Voltage Range
  • 0.75V to 3.6V Programmable Output Voltage
  • Auto Switch Light-Load Pulse-Skipping Mode
  • Fault Protection
    • Output Overvoltage Protection
    • Output Undervoltage Protection
    • Thermal-Fault Protection
    • Peak Current Limit
  • Enable Input
  • Up to 94% Efficiency
  • Power-Good Output
  • Voltage-Controlled Internal Soft-Start
  • High-Impedance Shutdown
  • < 1µA Shutdown Current
  • Passes EN55022 (CISPR22) Class B Radiated and Conducted EMI Standard

Part details & applications

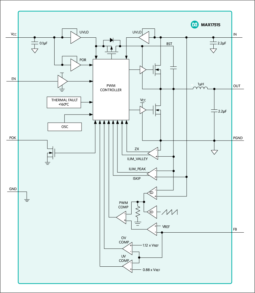
The MAX17515 is a fixed-frequency, step-down power module in a thermally efficient system-in-package (SiP) package that operates from a 2.4V to 5.5V input supply voltage and supports output currents up to 5A. The device includes switch-mode power-supply controller, dual n-channel MOSFET power switches, a fully shielded inductor, as well as compensation components. The device supports 0.75V to 3.6V programmable output voltage. The high level of integration significantly reduces design complexity, manufacturing risks, and offers a true “plug-and-play” power-supply solution, reducing the time to market.
The device operates at a fixed 1MHz that requires smaller input and output capacitor size. The internal fixed constant gain at the error-amplifier output results in output-voltage positioning with respect to the load current. The fixed internal digital soft-start limits the input inrush current at startup. The device also operates in pulse-skipping mode at light loads to improve the light-load efficiency.
The MAX17515 is available in a thermally enhanced, compact 28-pin, 10mm × 6.5mm x 2.8mm SiP package and can operate over the -40°C to +85°C industrial temperature range.

Applications

  • ATE Equipment
  • Base Station Point-of-Load Regulator
  • FPGA and DSP Point-of-Load Regulator
  • Industrial Control Equipment
  • Medical Equipment
  • Servers

Subscribe to Welllinkchips !
Your Name
* Email
Submit a request