0
MAX5122
  • MAX5122

MAX5122

PRODUCTION

+5V/+3V, 12-Bit, Serial, Force/Sense DACs with 10ppm/°C Internal Reference Industry's First 10ppm/°C Internal Reference 12-Bit DACs

Analog Devices MAX5122 Product Info

10 February 2026 9

Features

  • Single-Supply Operation
    • +5V (MAX5122)
    • +3V (MAX5123)
  • Built-In 10ppm/°C max Precision Bandgap Reference
    • +2.5V (MAX5122)
    • +1.25V (MAX5123)
  • SPI/QSPI/Microwire-Compatible, 3-Wire Serial Interface
  • Pin-Programmable Shutdown Mode and Power-Up Reset (0 or Midscale Output Voltage)
  • Buffered Output Capable of Driving 5kΩ ||100pF or 4-20mA Loads
  • Space-Saving 16-Pin QSOP Package
  • Pin-Compatible 13-Bit Upgrades Available (MAX5132/MAX5133)
  • Pin-Compatible 14-Bit Upgrades Available (MAX5171/MAX5173)

Part details & applications

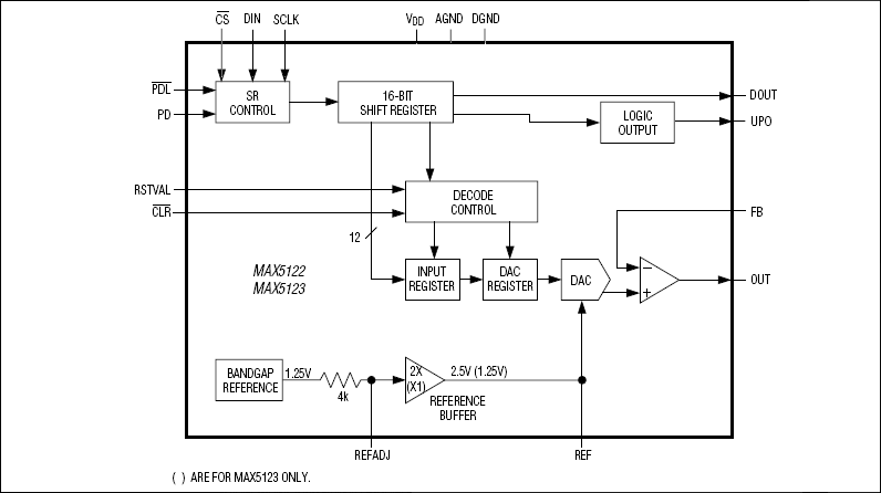
The MAX5122/MAX5123 low-power, 12-bit, voltage-output, digital-to-analog converters (DACs) feature an internal precision bandgap reference and output amplifier. The MAX5122 operates on a single +5V supply with an internal +2.5V reference, and offers a configurable output amplifier. If necessary, the user can override the on-chip, <10ppm/°C voltage reference with an external reference. The MAX5123 has the same features as the MAX5122 but operates from a single +3V supply and has an internal +1.25V precision reference. The user-accessible inverting input and output of the amplifier allows specific gain configurations, remote sensing, and high output drive capability for a wide range of force/sense applications. Both devices draw only 500µA of supply current, which reduces to 3µA in power-down mode. In addition, their power-up reset feature allows for a user-selectable initial output state of either 0V or midscale and reduces output glitches during power-up.

The serial interface is compatible with SPI™, QSPI™, and MICROWIRE™, which makes the MAX5122/MAX5123 suitable for cascading multiple devices. Each DAC has a double-buffered input organized as an input register followed by a DAC register. A 16-bit shift register loads data into the input register. The DAC register may be updated independently or simultaneously with the input register. Both devices are available in a 16-pin QSOP package and are specified for the extended-industrial (-40°C to +85°C) operating temperature range. For pin-compatible 14-bit upgrades, see the MAX5171/MAX5173 data sheet; for the pin-compatible 13-bit version, see the MAX5132/MAX5133 data sheet.

Applications

  • Automated Test Equipment (ATE)
  • Digital Gain and Offset Control
  • General Purpose
  • Industrial Process Controls
  • Motion Control

Subscribe to Welllinkchips !
Your Name
* Email
Submit a request