0
MAX17019
  • MAX17019

MAX17019

PRODUCTION

High-Input-Voltage Quad-Output Controller Highly Integrated Voltage Controller for Four Output Voltage Regulators in a 6mm x 6mm Package

Analog Devices MAX17019 Product Info

10 February 2026 10

Features

  • Fixed-Frequency, Current-Mode Controllers
  • 5.5V to 38V Input Range (Step-Down)
  • 1x Step-Down Controller
  • 1x Internal 5AP-P Step-Down Regulator
  • 1x Internal 3AP-P Step-Down Regulator
  • 1x 2A Source/Sink Linear Regulator with Dynamic REFIN
  • Internal BST Diodes
  • Internal 5V 50mA Linear Regulator
  • Fault Protection—Undervoltage, Overvoltage, Thermal, Peak Current Limit
  • Independent Enable Inputs and Power-Good Outputs
  • Voltage-Controlled Soft-Start
  • High-Impedance Shutdown
  • 10µA (typ) Shutdown Current

Part details & applications

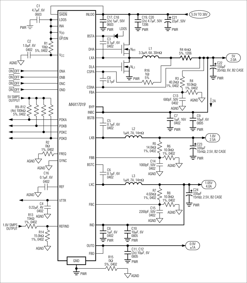
The MAX17019 is a high-input-voltage quad-output controller (up to 38V). The MAX17019 provides a compact, low-cost controller capable of providing four independent regulators—a main stage, a 3AP-P internal step-down, a 5AP-P internal step-down, and a 2A source/sink linear regulator. The input voltage is up to 38V.

The internal switching regulators include 5V synchronous MOSFETs that can be powered directly from a single Li+ cell or from the main 3.3V/5V power stages. Finally, the linear regulator is capable of sourcing and sinking 2A to support DDR termination requirements or to generate a fixed output voltage.

The step-down converters use a peak current-mode, fixed-frequency control scheme—an easy to implement architecture that does not sacrifice fast-transient response. This architecture also supports peak current-limit protection and pulse-skipping operation to maintain high efficiency under light-load conditions.

Separate enable inputs and independent open-drain power-good outputs allow flexible power sequencing. A soft-start function gradually ramps up the output voltage to reduce the inrush current. Disabled regulators enter high-impedance states to avoid negative output voltage created by rapidly discharging the output through the low-side MOSFET. The MAX17019 also includes output undervoltage, output overvoltage, and thermal-fault protection.

The MAX17019 is available in a 48-pin, 6mm x 6mm thin QFN package.

Applications

  • Embedded Control Systems
  • Set-Top Box

Subscribe to Welllinkchips !
Your Name
* Email
Submit a request