0
LTC2413
  • LTC2413
  • LTC2413
  • LTC2413

LTC2413

PRODUCTION

24-Bit No Latency ∆Σ™  ADC with Simultaneous 50Hz/60Hz Rejection

Analog Devices LTC2413 Product Info

10 February 2026 6

Features

  • Simultaneous 50Hz/60Hz Rejection (87dB Minimum)
  • Differential Input and Differential Reference with GND to VCC Common Mode Range
  • 2ppm INL and No Missing Codes at 24 Bits
  • 0.1ppm Offset and 2.5ppm Full-Scale Error
  • 0.16ppm Noise
  • No Latency: Digital Filter Settles in a Single Cycle.
  • Internal Oscillator—No External Components Required
  • 24-Bit ADC in Narrow SSOP-16 Package (SO-8 Footprint)
  • Single Supply 2.7V to 5.5V Operation
  • Low Supply Current (200µA) and Auto Shutdown
  • Pin Compatible with LTC2410

Part details & applications

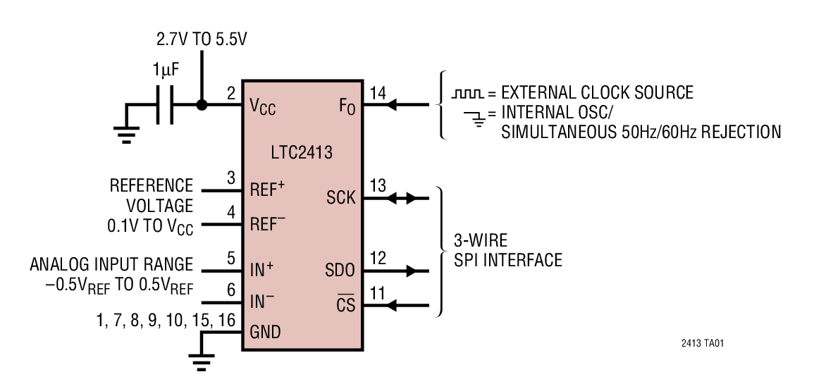
The LTC2413 is a 2.7V to 5.5V simultaneous 50Hz/60Hz rejection micropower 24-bit differential ∆Σ analog to digital converter with an integrated oscillator, 2ppm INL and 0.16ppm RMS noise. It uses delta-sigma technology and provides single cycle settling time for multiplexed applications. Through a single pin, the LTC2413 can be configured for better than 87dB input differential mode rejection over the range of 49Hz to 61.2Hz (50Hz and 60Hz ±2% simultaneously), or it can be driven by an external oscillator for a user defined rejection frequency. The internal oscillator requires no external frequency setting components.

The converter accepts any external differential reference voltage from 0.1V to VCC for flexible ratiometric and remote sensing measurement configurations. The fullscale differential input range is from –0.5VREF to 0.5VREF. The reference common mode voltage, VREFCM, and the input common mode voltage, VINCM, may be independently set anywhere within the GND to VCC range of the LTC2413. The DC common mode input rejection is better than 140dB.

The LTC2413 communicates through a flexible 3-wire digital interface which is compatible with SPI and MICROWIRE protocols.

 

Applications

  • Direct Sensor Digitizer
  • Weight Scales
  • Direct Temperature Measurement
  • Gas Analyzers
  • Strain-Gauge Transducers
  • Instrumentation
  • Data Acquisition
  • Industrial Process Control
  • 6-Digit DVMs
  • Products for International Markets

Subscribe to Welllinkchips !
Your Name
* Email
Submit a request