0
MAX16043
  • MAX16043

MAX16043

PRODUCTION

Dual-/Triple-/Quad-Voltage, Capacitor-Adjustable, Sequencing/Supervisory Circuits Versatile Sequencing and Monitoring Circuits that Can Be Used Across Multiple Design Platforms

Analog Devices MAX16043 Product Info

10 February 2026 6

Features

  • 2.2V to 28V Operating Voltage Range
  • Fixed Thresholds for 3.3V, 2.5V, 1.8V, 1.5V, and 1.2V Systems
  • 1.5% Accurate Adjustable Threshold Monitors Voltages Down to 0.5V
  • 2.7% Accurate Fixed Thresholds Over Temperature
  • Fixed (140ms min)/Capacitor-Adjustable Delay Timing
  • Independent Open-Drain Outputs/Push-Pull RESET Output
  • Enable Inputs for Each Monitored Voltage
  • 9 Logic-Selectable Threshold Options
  • Manual Reset and Tolerance Select (5%/10%) Inputs
  • Small, 4mm x 4mm TQFN Package
  • Fully Specified from -40°C to +125°C
  • Part details & applications

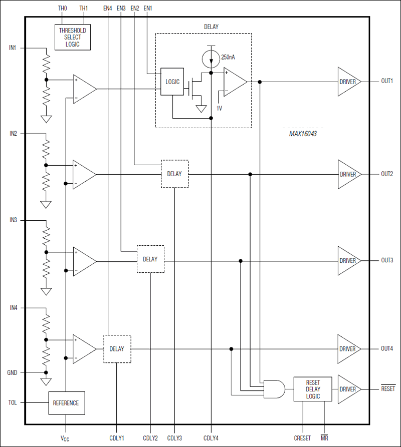
    The MAX16041/MAX16042/MAX16043 are dual-/triple-/quad-voltage monitors and sequencers that are offered in a small thin QFN package. These devices offer enormous design flexibility as they allow fixed and adjustable thresholds to be selected through logic inputs and provide sequence timing through small external capacitors. These versatile devices are ideal for use in a wide variety of multivoltage applications.

    As the voltage at each monitored input exceeds its respective threshold, its corresponding output goes high after a propagation delay or a capacitor-set time delay. When a voltage falls below its threshold, its respective output goes low after a propagation delay. Each detector circuit also includes its own enable input, allowing the power-good outputs to be shut off independently. The independent output for each detector has an open-drain configuration capable of supporting voltages up to 28V, thereby allowing them to interface to shutdown and enable inputs of various DC-DC regulators. Each detector can operate independently as four separate supervisory circuits or can be daisy-chained to provide controlled power-supply sequencing.

    The MAX16041/MAX16042/MAX16043 also include a push-pull reset function that deasserts only after all of the independently monitored voltages exceed their threshold. The reset timeout is internally fixed or can be adjusted externally. These devices are offered in a 4mm x 4mm TQFN package and are fully specified from -40°C to +125°C.

    Applications

    • DC-DC Supplies
    • Multivoltage Systems
    • Networking/Telecommunication Equipment
    • Servers/Workstations
    • Storage Systems

    Subscribe to Welllinkchips !
    Your Name
    * Email
    Submit a request