0
MAX19995A
  • MAX19995A

MAX19995A

PRODUCTION

Dual, SiGe, High-Linearity, 1700MHz to 2200MHz Downconversion Mixer with LO Buffer/Switch Lowest Noise, Highest Linearity 1700MHz to 2200MHz Dual, SiGe Mixer for DCS/PCS, CDMA, WCDMA, and LTE Base Stations, Featuring Superior IIP3, NF, and 2LO-2RF Perform

Analog Devices MAX19995A Product Info

10 February 2026 18

Features

  • 1700MHz to 2200MHz RF Frequency Range
  • 1750MHz to 2700MHz LO Frequency Range
  • 50MHz to 500MHz IF Frequency Range
  • 8.7dB Typical Conversion Gain
  • 9.2dB Typical Noise Figure
  • +24.8dBm Typical Input IP3
  • +13.5dBm Typical Input 1dB Compression Point
  • 64dBc Typical 2LO-2RF Spurious Rejection at PRF = -10dBm
  • Dual Channels Ideal for Diversity Receiver Applications
  • 48dB Typical Channel-to-Channel Isolation
  • Low -3dBm to +3dBm LO Drive
  • Integrated LO Buffer
  • Internal RF and LO Baluns for Single-Ended Inputs
  • Built-In SPDT LO Switch with 48dB LO-to-LO Isolation and 50ns Switching Time
  • Pin Compatible with the MAX19985/MAX19985A/MAX19995 Series of 700MHz to 2200MHz Mixers
  • Pin Similar to the MAX19997A/MAX19999 Series of 1800MHz to 4000MHz Mixers
  • Single 5.0V or 3.3V Supply
  • External Current-Setting Resistors Provide Option for Operating Device in Reduced-Power/Reduced-Performance Mode

Part details & applications

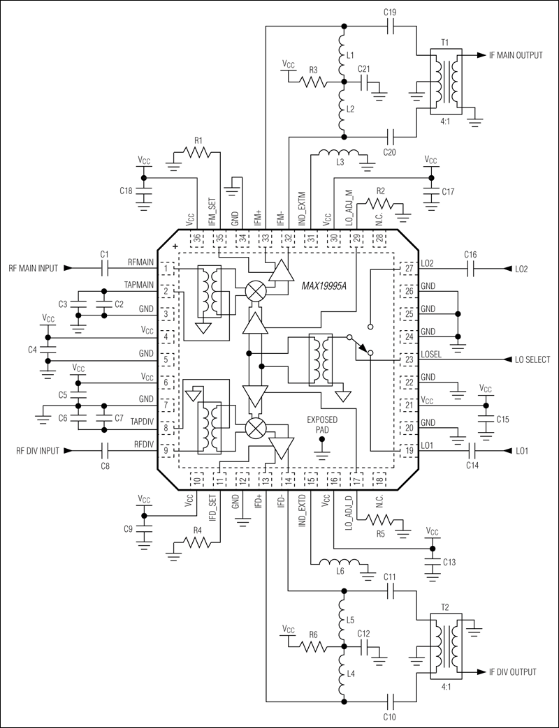
The MAX19995A dual-channel downconverter is designed to provide 8.7dB of conversion gain, +24.8dBm input IP3, +13.5dBm 1dB input compression point, and a noise figure of 9.2dB for 1700MHz to 2200MHz diversity receiver applications. With an optimized LO frequency range of 1750MHz to 2700MHz, this mixer is ideal for high-side LO injection architectures. Low-side LO injection is supported by the MAX19995, which is pin-pin and functionally compatible with the MAX19995A.

In addition to offering excellent linearity and noise performance, the MAX19995A also yields a high level of component integration. This device includes two double-balanced passive mixer cores, two LO buffers, a dual-input LO selectable switch, and a pair of differential IF output amplifiers. Integrated on-chip baluns allow for single-ended RF and LO inputs. The MAX19995A requires a nominal LO drive of 0dBm and a typical supply current of 350mA at VCC = 5.0V, or 242mA at VCC = 3.3V.

The MAX19995/MAX19995A are pin compatible with the MAX19985/MAX19985A series of 700MHz to 1000MHz mixers and pin similar to the MAX19997A/MAX19999 series of 1800MHz to 4000MHz mixers, making this entire family of downconverters ideal for applications where a common PCB layout is used across multiple frequency bands.

The MAX19995A is available in a 6mm x 6mm, 36-pin thin QFN package with an exposed pad. Electrical performance is guaranteed over the extended temperature range (TC = -40°C to +85°C).

Applications

  • cdma2000® Base Stations
  • DCS1800/PCS1900 and GSM/EDGE Base Stations
  • Fixed Broadband Wireless Access
  • LTE/WiMAX™ Base Stations
  • Military Systems
  • Private Mobile Radios
  • TD-SCDMA Base Stations
  • UMTS/WCDMA Base Stations
  • Wireless Local Loop

Subscribe to Welllinkchips !
Your Name
* Email
Submit a request