0
HMC-MDB218
  • HMC-MDB218

HMC-MDB218

RECOMMENDED FOR NEW DESIGNS

GaAs MMIC Sub-Harmonic IRM Mixer, 54 - 64 GHz

Analog Devices HMC-MDB218 Product Info

10 February 2026 6

Features

  • Wide IF Bandwidth: DC - 3 GHz
  • RF Frequency: 54 to 64 GHz
  • LO Frequency: 27 to 32 GHz
  • High Image Rejection: 30 dB
  • Passive; No DC Bias Required
  • Die Size: 1.54 × 1.41 × 0.1 mm

Part details & applications

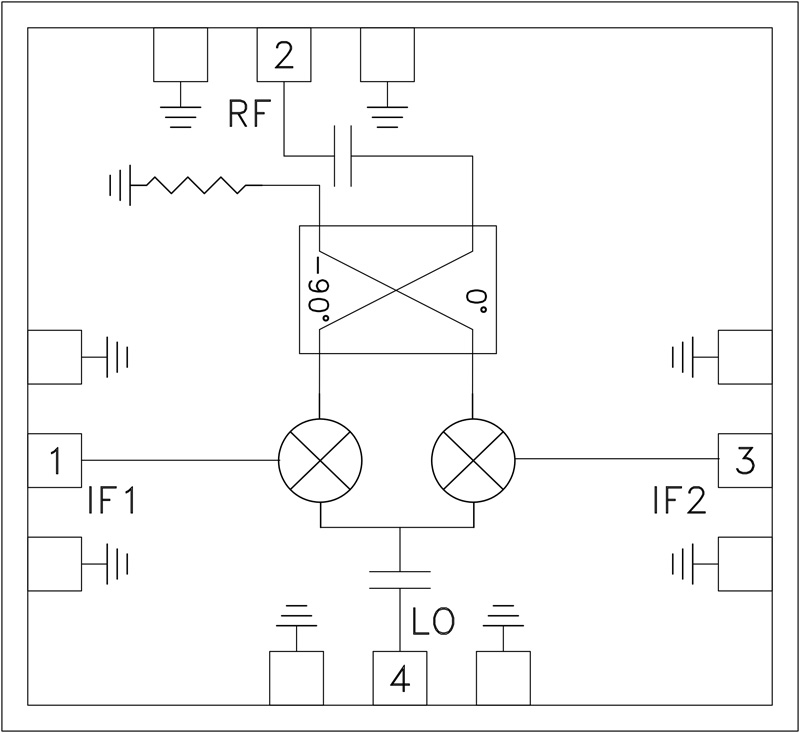
The HMC-MDB218 is a sub-harmonically pumped (x2) MMIC Mixer which can be used as either an image reject mixer (IRM) or a single sideband upconverter. This passive MMIC mixer is fabricated with GaAs Heterojunction Bipolar Transistor (HBT) Shottky diode technology. For downconversion applications, an external quadrature hybrid can be used to select the desired sideband while rejecting image signals. All bond pads and the die backside are Ti/Au metallized and the Shottky devices are fully passivated for reliable operation. The HMC-MDB218 Sub Harmonic IRM is compatible with conventional die attach methods, as well as thermocompression and thermosonic wire bonding, making it ideal for MCM and hybrid microcircuit applications. All data shown herein is measured with the chip in a 50 Ohm environment and contacted with RF probes.

APPLICATIONS

  • Short-Haul / High Capacity Radios
  • SATCOM
  • Military Radar, ECM & EW
  • Sensors
  • Test & Measurement Equipment

Subscribe to Welllinkchips !
Your Name
* Email
Submit a request