0
MAX1253
  • MAX1253

MAX1253

PRODUCTION

Stand-Alone, 10-Channel, 12-Bit System Monitors with Internal Temperature Sensor and VDD Monitor

Analog Devices MAX1253 Product Info

10 February 2026 5

Features

  • Monitor 10 Signals Without Processor Intervention
  • Eight External Channels Programmable as Temperature or Voltage Monitors
  • Intelligent Circuitry for Reliable Autonomous Measurement
    • Programmable Digital Averaging Filter
    • Programmable Fault Counter
  • Precision Measurements
    • 12-Bit Resolution
    • ±1 LSB INL, ±1 LSB DNL
    • ±0.75°C Temperature Accuracy (typ)
  • Flexible
    • Automatic Channel Scan Sequencer with
    • Programmable Intervals
    • Programmable Inputs: Single Ended/Differential,
    • Voltage/Temperature
    • Programmable Wait State
  • Internal 2.5V/4.096V Reference (MAX1253/MAX1254)
  • Remote Temperature Sensing Up to 10m (Differential Mode)
  • Single 3V or 5V Supply Operation
  • Small 16-Pin TSSOP Package

Part details & applications

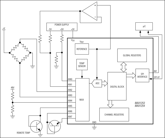
The MAX1253/MAX1254 are stand-alone, 10-channel (8 external, 2 internal) 12-bit system monitor ADCs with internal reference. A programmable single-ended/differential mux accepts voltage and remote-diode temperature-sensor inputs. These devices independently monitor the input channels without microprocessor interaction and generate an interrupt when any variable exceeds user-defined limits. The MAX1253/MAX1254 configure both high and low limits, as well as the number of fault cycles allowed, before generating an interrupt. These ADCs can also perform recursive data averaging for noise reduction. Programmable wait intervals between conversion sequences allow the selection of the sample rate.

At the maximum sampling rate of 94ksps (auto mode, single channel enabled), the MAX1253 consumes only 5mW (1.7mA at 3V). AutoShutdown™ reduces supply current to 190µA at 2ksps and to less than 8µA at 50sps.

Stand-alone operation, combined with ease of use in a small package (16-pin TSSOP), makes the MAX1253/ MAX1254 ideal for multichannel system-monitoring applications. Low power consumption also makes these devices a good fit for hand-held and battery-powered applications.

Applications

  • Remote Data Logging
  • Remote Telecom Networks
  • Server Farms
  • System Supervision

Subscribe to Welllinkchips !
Your Name
* Email
Submit a request