0
ADF4158
  • ADF4158
  • ADF4158

ADF4158

RECOMMENDED FOR NEW DESIGNS

Direct Modulation/Waveform Generating, 6.1 GH z Fractional-N Frequency Synthesizer

Analog Devices ADF4158 Product Info

10 February 2026 6

Features

  • RF bandwidth to 6.1 GHz
  • 25-bit fixed modulus allows subhertz frequency resolution
  • Frequency and phase modulation capability
  • Sawtooth and triangular waveforms in the frequency domain
  • Parabolic ramp
  • Ramp superimposed with FSK
  • Ramp with 2 different sweep rates
  • Ramp delay
  • Ramp frequency readback
  • Ramp interruption
  • 2.7 V to 3.3 V power supply
  • Separate VP allows extended tuning voltage
  • Programmable charge pump currents
  • 3-wire serial interface
  • Digital lock detect
  • Power-down mode
  • Cycle slip reduction for faster lock times
  • Switched bandwidth fast-lock mode
  • Qualified for automotive applications

Part details & applications

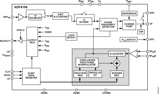
The ADF4158 is a 6.1 GHz, fractional-N frequency synthesizer with modulation and waveform generation capability. It contains a 25-bit fixed modulus, allowing subhertz resolution at 6.1 GHz. It consists of a low noise digital phase frequency detector (PFD), a precision charge pump, and a programmable reference divider. There is a sigma-delta (Σ-Δ) based fractional interpolator to allow programmable fractional-N division. The INT and FRAC registers define an overall N-divider as N = INT + (FRAC/225).

The ADF4158 can be used to implement frequency shift keying (FSK) and phase shift keying (PSK) modulation. There are also a number of frequency sweep modes available, which generate various waveforms in the frequency domain, for example, sawtooth and triangular waveforms. Sweeps can be set to run automatically, or each step manually triggered by an external pulse. The ADF4158 features cycle slip reduction circuitry, which leads to faster lock times, without the need for modifications to the loop filter.

Control of all on-chip registers is via a simple 3-wire interface. The device operates with a power supply ranging from 2.7 V to 3.3 V and can be powered down when not in use.

Applications

  • Frequency modulated continuous wave (FMCW) radar
  • Communications test equipment

Subscribe to Welllinkchips !
Your Name
* Email
Submit a request