0
HMC705
  • HMC705

HMC705

RECOMMENDED FOR NEW DESIGNS

6.5 GHz Programmable Divider (N = 1 to 17) SMT

Analog Devices HMC705 Product Info

10 February 2026 7

Features

  • Ultra Low SSB Phase Noise: -153 dBc/Hz @ 100 kHz Typ.
  • Programmable Divider (N = 1 - 17) Operating up to 6.5 GHz
  • 24 Lead Plastic 4x4mm SMT Package: 16mm²

Part details & applications

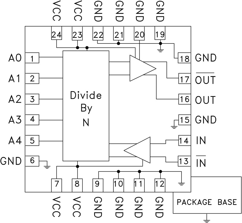
The HMC705LP4(E) is a low noise GaAs HBT programmable divider in a 4x4 mm leadless surface mount package. The divider can be programmed to divide by any number from N = 1 to N = 17 up to 6.5 GHz. The HMC705LP4E's high frequency operation along with low phase noise floor is very useful in high performance fast settling synthesizer architectures. The HMC705LP4E may be combined with Hittite's Phase Frequency Detectors, VCOs and PLL ICs to create low noise, fast settling phase locked loops.

APPLICATIONS

  • Satellite Communication Systems
  • Point-to-Point Radios
  • Military Applications
  • Sonet Clock Generation
  • Test Equipment

Subscribe to Welllinkchips !
Your Name
* Email
Submit a request