0
ADF4152HV
  • ADF4152HV
  • ADF4152HV

ADF4152HV

RECOMMENDED FOR NEW DESIGNS

High Voltage, Fractional-N/Integer N PLL Synthesizer

Analog Devices ADF4152HV Product Info

10 February 2026 7

Features

  • Fractional-N synthesizer and integer N synthesizer
  • High voltage charge pump: VP = 6.0 V to 30 V
  • Radio frequency (RF) bandwidth to 5.0 GHz
  • Programmable output divider
  • Synthesizer power supply: 3.0 V to 3.6 V
  • Programmable dual-modulus prescaler
  • Programmable output power level
  • Programmable charge pump currents
  • RF output mute function
  • 3-wire serial interface
  • Analog and digital lock detect

Part details & applications

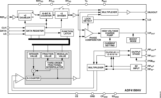
The ADF4152HV is a 5.0 GHz, fractional-N or integer N frequency synthesizer with an integrated high voltage charge pump. The synthesizer can drive external wideband voltage controlled oscillators (VCOs) directly, eliminating the need for operational amplifiers to achieve higher tuning voltages. The integrated high voltage charge pump simplifies design and reduces cost while improving phase noise, in contrast to active filter topologies, which tend to degrade phase noise compared to passive filter topologies.

The VCO frequency can be divided by 1, 2, 4, 8, or 16 to allow the user to generate RF output frequencies as low as 31.25 MHz. For applications that require isolation, the RF output stage can be muted. The mute function is both pin and software controllable.

A simple 3-wire interface controls all on-chip registers. The charge pump operates from a power supply ranging from 6.0 V to 30 V, whereas the rest of the device operates from 3.0 V to 3.6 V. The ADF4152HV can be powered down when not in use.

Applications

  • Wireless infrastructure
  • Microwave point to point/point to multipoint radios
  • Very small aperture terminal (VSAT) radios
  • Test equipment
  • Private land mobile radios

Subscribe to Welllinkchips !
Your Name
* Email
Submit a request