0
MAX1204
  • MAX1204

MAX1204

PRODUCTION

5V, 8-Channel, Serial, 10-Bit ADC with 3V Digital Interface Ideal for 10-Bit +5V or +/-5V Analog, +3V Digital Systems

Analog Devices MAX1204 Product Info

10 February 2026 6

Features

  • 8-Channel Single-Ended or 4-Channel Differential Inputs
  • Operates from +5V Single or ±5V Dual Supplies
  • User-Adjustable Output Logic Levels (2.7V to 5.25V)
  • Low Power
    • 1.5mA (Operating Mode)
    • 2µA (Power-Down Mode)
  • Internal Track/Hold, 133kHz Sampling Rate
  • Internal 4.096V Reference
  • SPI/MICROWIRE/TMS320-Compatible 4-Wire Serial Interface
  • Software-Configurable Unipolar/Bipolar Inputs
  • 20-Pin PDIP/SSOP
  • Pin-Compatible 12-Bit Upgrade: MAX1202

Part details & applications

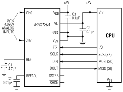
The MAX1204 is a 10-bit data-acquisition system specifically designed for use in applications with mixed +5V (analog) and +3V (digital) supply voltages. It operates with a single +5V analog supply or dual ±5V analog supplies, and combines an 8-channel multiplexer, internal track/hold, and serial interface with high conversion speed and low power consumption.
A 4-wire serial interface connects directly to SPI/MICROWIRE® devices without external logic, and a serial strobe output allows direct connection to TMS320-family digital signal processors. The MAX1204 uses either the internal clock or an external serial-interface clock to perform successive-approximation analog-to-digital conversions. The serial interface operates at up to 2MHz.
The MAX1204 features an internal 4.096V reference and a reference-buffer amplifier that simplifies gain trim. It also has a VL pin that supplies power to the digital outputs. Output logic levels (3V, 3.3V, or 5V) are determined by the value of the voltage applied to this pin.
A hard-wired active-low SHDN pin and two software-selectable power-down modes are provided. Accessing the serial interface automatically powers up the device. A quick turn-on time allows the MAX1204 to be shut down between conversions, enabling the user to optimize supply currents. By customizing power-down between conversions, supply current can drop below 10µA at reduced sampling rates.
The MAX1204 is available in 20-pin SSOP and PDIP packages, and is specified for the commercial and extended temperature ranges.

Applications

  • 5V/3V Mixed-Supply Systems
  • Battery-Powered Applications
  • Data Acquisition
  • Medical Instruments
Subscribe to Welllinkchips !
Your Name
* Email
Submit a request