0
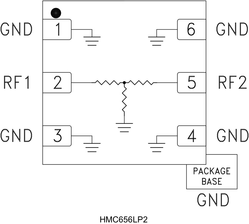
HMC656LP2
  • HMC656LP2

HMC656LP2

PRODUCTION

Fixed Passive SMT Attenuator, DC - 25 GHz

Analog Devices HMC656LP2 Product Info

10 February 2026 7

Features

  • 3 Attenuator Products:
    10, 15, & 20 dB Fixed Attenuation Levels
  • Wide Bandwidth: DC - 25 GHz
  • Excellent Attenuation Accuracy
  • Power Handling: +25 dBm
  • 6 Lead 2x2mm SMT Package: 4mm²

Part details & applications

The HMC656LP2E / 657LP2E / 658LP2E are a line of wideband fixed value SMT 50 Ohm matched attenuators which offer relative attenuation levels of 10, 15 and 20 dB respectively. These passive attenuators are ideal for military, test equipment, and other wideband applications where extremely flat attenuation, and excellent VSWR vs. frequency are required. These wideband attenuators handle up to +25 dBm of input power, and are compatible with high volume surface mount manufacturing techniques.

APPLICATIONS

  • Fiber Optics
  • Microwave Radio
  • Military & Space
  • Test & Measurement
  • Scientific Instruments
  • RF / Microwave Circuit Prototyping

Subscribe to Welllinkchips !
Your Name
* Email
Submit a request