0
HMC759
  • HMC759

HMC759

LAST TIME BUY

0.25dB LSB 7-Bit Digital Attenuator SMT, 10 - 300 MHz

Analog Devices HMC759 Product Info

10 February 2026 8

Features

  • 0.25 dB LSB Steps to 31.75 dB
  • Power-Up State Selection
  • High Input IP3: +40 dBm
  • TTL/CMOS Compatible, Serial Control
  • Excellent State & Step Accuracy ±0.25 dB
  • Single +5V Supply
  • 16 Lead 3×3mm SMT Package: 9mm2

Part details & applications

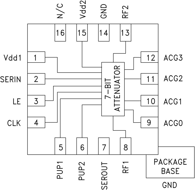
The HMC759LP3E is a 7-bit BiCMOS Digital Attenuator in a low cost leadless SMT package. This versatile digital attenuator incorporates off-chip AC ground capacitors for near DC operation, making it suitable for a wide variety of RF and IF applications. The control interface is CMOS/TTL compatible and accepts a three wire serial input. The HMC759LP3E features user selectable power up states and a serial output port for cascading other Hittite serial controlled components. The HMC759LP3E is housed in a RoHS compliant 3×3 mm QFN leadless package, and occupies only 9 mm2.

APPLICATIONS

  • Cellular/3G Infrastructure
  • WiBro/WiMAX/4G
  • Microwave Radio & VSAT
  • Test Equipment and Sensors
  • IF & RF Applications

Subscribe to Welllinkchips !
Your Name
* Email
Submit a request